D D DIYnotBot 11 Dec 2012 This image is referenced in the forum thread 'Loud noise, no CH anymore, DM5601 or MK1453 or EP200 faulty?'
This image is referenced in the forum thread 'Loud noise, no CH anymore, DM5601 or MK1453 or EP200 faulty?'
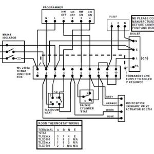
D D DIYnotBot 17 Dec 2012 This image is referenced in the forum thread 'Installing Sunvic MK1453 3 port valve - A & B ports inve'
This image is referenced in the forum thread 'Installing Sunvic MK1453 3 port valve - A & B ports inve'