Albums created by pt44

Navigation

Media comments

  • Terraced houses rear roof join
    That looks rough to me, can't see a bonding gutter, just membrane. The rear of your chimney needs clearing and are they your broken slates lying there. Also left side of your chimney looks like theres no lead flashing and a load of cement put there, terrible mess, did they do that?
    I'm...
  • Terraced houses rear roof join
    That looks rough to me, can't see a bonding gutter, just membrane. The rear of your chimney needs clearing and are they your broken slates lying there. Also left side of your chimney looks like theres no lead flashing and a load of cement put there, terrible mess, did they do that?

Trending media

Media statistics

Albums
23,874
Uploaded media
92,646
Embedded media
10
Comments
76,928
Disk usage
10.6 GB
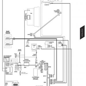
Boiler

Boiler

  • Album owner pt44
  • Date created 12 Mar 2013
  • Items 6
  • Reaction score 0
  • Comments 0
Back
Top