ericmark's latest activity

  • ericmark
    ericmark reacted to flameport's post in the thread Hive wiring queries with Like Like.
    Probably been wired wrong for years or even since it was installed. If someone has been tempering in the past, it's always quicker to...
  • ericmark
    ericmark replied to the thread Hive wiring queries.
    I have worked out, in summer, cheaper to use the immersion heater, at least with my house. In winter, I have no option, but my DHW will...
  • ericmark
    Every lock has a by-pass, so the water from the horse-shoe falls on the dee, is taken to Cheshire. Having walked there, it was not...
    • 1766431891868.png
    • 1766432017397.png
  • ericmark
    The refrigeration plant can be split into at least three different types, the commercial plant, often the motor varies speed to control...
    • 1766430839423.png
  • ericmark
    The 2.5 hours is not simply times by 650 watt which my tumble drier uses, as it depends on the load, with a light load, it uses a...
    • 1766427654233.png
  • ericmark
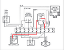
    ericmark replied to the thread Hive wiring queries.
    With the Y Plan, the DHW only does not power or move the motorised valve, The red line shows the DHW connection to give us DHW when we...
    • 1766426752550.png
  • ericmark
    In the past, been surprised how little it costs to wash clothes, it is the drying which costs, your £10 per year will mean just a few p...
  • ericmark
    ericmark reacted to Rodders53's post in the thread How to do washing using off-peak? with Thanks Thanks.
    FWIW my Miele TwinDos washer is "smart" and has a 'report' that says we've done 16 cycles this month... 5.5 kWh in total and 342 litres...
  • ericmark
    The instructions show M2 as the point where the room thermostat connects, this seems to be the manual shown looking at page 28, it says...
    • 1766420944266.png
    • 1766421167101.png
    • 1766421373829.png
  • ericmark
    ericmark replied to the thread Radiator.
    My radiators get hot and cold, as I have a non modulating boiler, but in mother's old house with a modulating boiler, the radiator would...
  • ericmark
    Sorry missed the picture I would start with numbers as shown, so one can record what each wire does. 1 = Neutral 2 = 3 = 4 = unused 5...
    • 1766418589850.png
  • ericmark
    ericmark replied to the thread Penance (2025) is served..
    I remember the problems getting a new oven for mother, had to be high enough, so the door opened above the wheelchair arm rests, but low...
    • 1766413735912.png
  • ericmark
    BBC report on sink hole The canal in question, takes water from the river dee, into Cheshire salt towns, so this is not just going to be...
  • ericmark
    ericmark replied to the thread Minor works certificate.
    You can download blank forms from the IET website for free, I would suggest you download and consider what you can complete. Then ask...
  • ericmark
    I use the two-way switches the other way around. it means no junction in the switch back box, this method the feed to light goes through...
    • 1766407220491.png
    • 1766407294667.png
    • 1766407118547.png
    • G9-comp.jpg
    • two-way-real.jpg
    • two-way-school-boy-cables.jpg
Back
Top