Recent content by Longhouse

  1. L

    Vaillant 418 wiring into Y plan

    Thanks for the confirmation - I was a little confused by the wording in the boiler manual I'd downloaded (why can't they just give a proper typical loop drawing to follow!). The only other mod that I'll make is to provide local isolation of the P/L and S/L connections adjacent to the boiler as...
  2. L

    Vaillant 418 wiring into Y plan

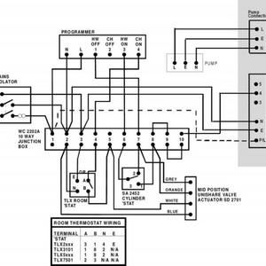
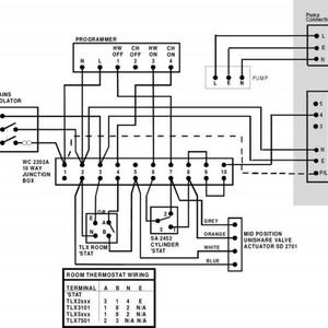
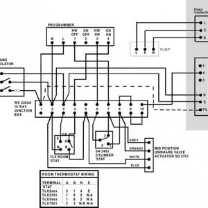
    Gents please see the new link for drawing: http://img692.imageshack.us/img692/6186/yplanwiringdiagramvaill.jpg
  3. L

    Vaillant 418 wiring into Y plan

    Hi gents, thanks for the quick responses and advice. I'm new to the forum and hadn't realised the link showed up so small! I've tried editing the picture file, increased the file size and uploaded again but it still refuses to view any larger when I preview and click on the link? I've...
  4. Untitled

    Untitled

  5. Untitled

    Untitled

  6. L

    Vaillant 418 wiring into Y plan

    Can anyone help to clarify my understanding of the way to connect the new boiler? Need to be able to check that I have the right number of cables / cores in the right areas so that the installation by the installer (this weekend) goes smoothly. Thanks Longhouse
  7. L

    Vaillant 418 wiring into Y plan

    I'm about to have my old boiler replaced (Glowworm Spacesaver 60k) with a Vaillant 418. I'm staying with an open vent system and the existing controls (because I prefer simplicity, hot water storage and the controls are relatively new). Can anyone clarify the wiring requirements? The system...
  8. Untitled

    Untitled

  9. CH wiring diagrams

    CH wiring diagrams

Back
Top