Recent content by underwurlde

  1. underwurlde

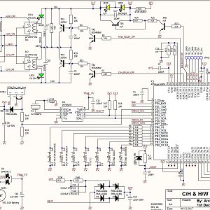
    Glow Worm (Valliant) UltraCom 30cxi schematic

    Tony, I'm surprised you are not pleased at having been promoted to your now elevated position of 'Monkey's Trollop Sack'! ;)
  2. underwurlde

    Glow Worm (Valliant) UltraCom 30cxi schematic

    \S/ Send me a (some?) PCBs to reverse engineer then? PM me...
  3. underwurlde

    Glow Worm (Valliant) UltraCom 30cxi schematic

    Maybe I could do a 'how to' thread based on one of those PCBs while I was at it.
  4. underwurlde

    Glow Worm (Valliant) UltraCom 30cxi schematic

    If I had one to hand, sure! ;)
  5. underwurlde

    Glow Worm (Valliant) UltraCom 30cxi schematic

    PM me your email. ;) Will try my best to help, but fault finding is an art!
  6. underwurlde

    Please comment on this photo of Ultracom expansion vessel

    I am not an RGI myself but once you have replaced the cover, how are you going to check for the subsequent leaking of any noxious gasses into your home?! Hence all the concerned warnings & leading questions as to why you've chosen to remove said cover. You have to now get it checked by an RGI.
  7. underwurlde

    GlowWorm 30cxi boiler. Now NO need to buy replacement! :)

    Is the fitting of a filter to the return pipe a pipe cutting etc. exercise? I don't see a filter on there, but then again I would not recognize one if it jumped up and bit me on the ar$e. A
  8. underwurlde

    GlowWorm 30cxi boiler. Now NO need to buy replacement! :)

    I see on the Fernox DS40 datasheet that 'black sludge' is otherwise called magnetite - which according to wiki is otherwise known as iron oxide, 'a naturally occurring magnetic mineral'. NOW I know this is why magnetic filters are installed in systems. Learn something new every day! Cheers...
  9. underwurlde

    GlowWorm 30cxi boiler. Now NO need to buy replacement! :)

    Absolutely! Apart from the parts I've had off and cleaned (don't ask me HOW I cleaned them :oops: ), judging by the dirt on those parts, it's not too hard to image that level of grime existing on all other parts etc. within the boiler and indeed through the rest of the system. Is that...
  10. underwurlde

    How to clean dirt collected inside boiler?

    The house that this boiler is used in was purchased only 5 months ago. It was apparent from the second we moved in that there were problems with DHW and central heating. It was immediately apparent upon looking at the exposed pipe work inside the boiler that there had been an on-going problem...
  11. underwurlde

    GlowWorm 30cxi boiler. Now NO need to buy replacement! :)

    The old diverter valve was removed & replaced with an *ahem* eBay purchased one. Andy
  12. underwurlde

    How to clean dirt collected inside boiler?

    Hello, This is the diverter valve removed from my Glow Worm 30cxi Condensing boiler: It was the cause of many problems which I have now sorted out, but would like to keep it as a spare. The failure of this valve was caused by a build-up of dirt which had caused the valve actuator...
  13. underwurlde

    Hot water thermostat opens/shuts valve, but no pump

    I have yet to wake up this morning. :oops:
  14. underwurlde

    Hot water thermostat opens/shuts valve, but no pump

    Indeed, appears to be a wiring fault. Or maybe a microswitch within the valve actuator not working... ...but that is strange though. Andy
  15. underwurlde

    GlowWorm 30cxi boiler. Now NO need to buy replacement! :)

    Control board FIXED. Hence boiler now WORKING. Cancel my search for a replacement! Andy
Back
Top