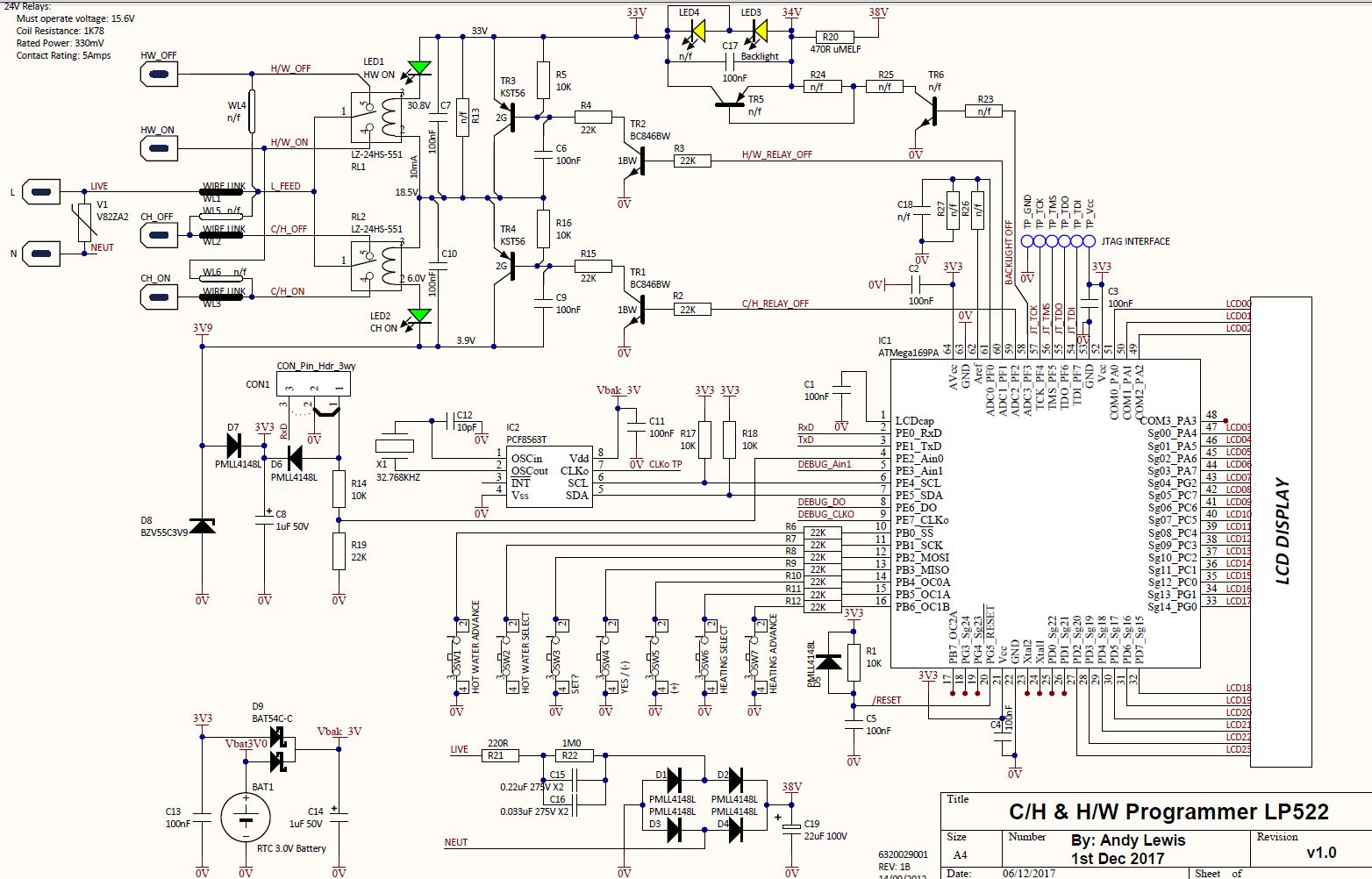
LP522 CH HW Programmer
underwurlde

LP522 CH HW Programmer

This circuit diagram represents my REVERSE ENGINEERING attempt at re-creating the schematic for the Central Heating / Hot Water LP522 Programmer
There are no comments to display.

Media information

Album
C/H & H/W Programmer Timer LP522
Added by
underwurlde
Date added
View count
549
Comment count
0
Rating
0.00 star(s) 0 ratings

Image metadata

Filename
LP522 CH HW Programmer.jpg
File size
252.9 KB
Date taken
Wed, 06 December 2017 2:11 PM
Dimensions
1564px x 1002px

Share this media

Back
Top