0ldskoolskater

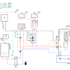
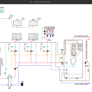
System boiler with 1 unmixed radiator circuit and 1 mixed UFH circuit - DHW prioritised

There are no comments to display.

Media information

Album
Heating system
Added by
0ldskoolskater
Date added
View count
851
Comment count
0
Rating
0.00 star(s) 0 ratings

Share this media

Back
Top