Recent content by cherryred

  1. C

    New en-suite waste question

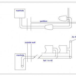
    Yes ofcourse I see that now. Would the addition of this air admittance valve suffice?
  2. C

    New en-suite waste question

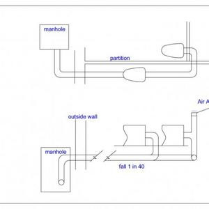
    Does this comply with building regs. Adding an en-suite next to a bathroom using a common pipe. Image in album
  3. C

    Has anyone used STRAMIT straw wallboards?

    We moved into a 70's bungalow recently and found it had strawboard walls. I was all ready to run additional wiring and re-route pipes to radiators, when I had a conversation with a neighbour who told that there were vertical holes every foot down the centre of the panels. The electricians who...
  4. C

    New boiler installed on an old system. Bodged job?** PICS **

    Ofcourse you have every right to complain. If a company promises to carry out a specified job for a set price. They must must be held to execute the contract as they specified. The price is immaterial.
  5. C

    Scottish Independance

    Some of the reasons I have been given for voting for independence. Greed - "Its oor oil we would ah be better aff.(Is it really all Scotland's oil) Jealousy - "Am fed up hearin' the English goin' oan aboot winning the world cup. Ah hate them fur that. Ignorance - "The battle o' Culloden (...
  6. C

    Solution needed for exract fan

    Thanks mate . Just what I am looking for John
  7. C

    Solution needed for exract fan

    I need a solution for a bathroom extract fan. The outside grille has non return flaps but these rattle in the wind and make a terrific noise especially at night. What I am looking for is an external grille with a motorised damper which would close, when the fan is not running. A closure is...
  8. C

    Scottish Independance

    That's right! Oh my goad what if Shetland votes for its independence?
  9. C

    3 way valve gone wrong

    There are two micro switches within the head. I take it you mean the one which switches the pump/boiler. But we have already proved that to be ok. If you stuck your screwdriver in and the pump started it would not necessarily prove that the motor was faulty. The fault could be that the motor is...
  10. C

    3 way valve gone wrong

    But nuns said the valve does not move on its own. Also when the lever was pulled over to the right the pump came on. This proves the micro switch is ok. Therefore it does look very much that the motor is faulty. Nuns - Take cover off valve head. Turn the cylinder stat down so as not to call...
  11. C

    3 way valve gone wrong

    Sounds as though the motor within the actuator has possibly burt out. This can be purchased on its own for around £15. The complete actuator is around £70 The motor is of the spring return type. It drives to open the port to heating and returns under spring action to hot water. Therefore if it...
  12. C

    Bathroom extractor fan ideas

    Just found this one .It should do the trick. http://www.pvl.co.uk/user/datafaxes/2134%20-%20Shower%20flow%20switch.pdf
  13. C

    Bathroom extractor fan ideas

    I have had a look for a suitable flow switch ( I am thinking of fitting one for one of my tenents ) she never puts the fan on! http://electrocontrols.co.uk/product_datasheets/R02.pdf This one may be suitable but you will need to check the current drawn by your fan and the rating of the...
  14. C

    really loud boiler vibration

    Sounds very much like the fan or possibly the pump but most likely the fan. Seems incredible that two engineers couldn't identify what was causing the vibration. Sometimes the fan causes other metallic bits to vibrate. I don't suppose you could take the cover off and have a look? It's not...
  15. C

    really loud boiler vibration

    Looks as if you will have to guess what the gasman wants. Its a kind of quiz :?
Back
Top