Recent content by eurodave

  1. E

    Short cycling Vitodens WB1B

    Hi, I return to this forum after moving in to my latest property with yet another heating issue. The system is an open vent with a Vitodens WB1B 26kw boiler. 3 years old. The heating has been bad from (my) day 1 in the house but I've made it worse despite my best efforts. Symptoms this...
  2. E

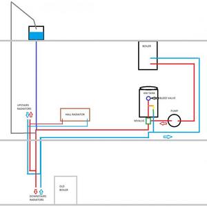
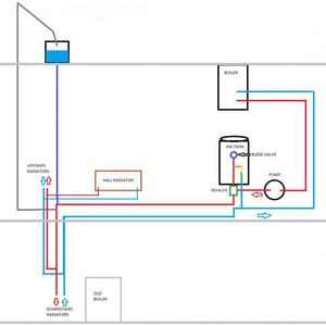
    Gurgling system but vent pipe is after pump

    The run is about 15ft but then would go back vertical for a foot to connect to the pump inlet pipe. I'd rather do it right. I think I can probably sort it through the loft with the same route as the hot water tank header pipe. Anyone know what the pressure looks like on this and when...
  3. E

    Gurgling system but vent pipe is after pump

    I think, after monitoring it further, that the gurgling is on switching from hw + ch to just ch. I presume this leads to a sudden surge in pressure as all water is diverted through the radiators. Could it also be that when it is ch + hw that the hw circuit being low resistance takes most of the...
  4. E

    Gurgling system but vent pipe is after pump

    Thanks - the reason it may be expensive or not an easy fix is that the boiler sits just below a flat roof, so there's no loft above it to thread pipes through. Although it sounds like this is certainly what I'm going to have to do somehow. As for sealed - I'll look into it but I am not...
  5. E

    Gurgling system but vent pipe is after pump

    All, Since the cold weather really kicked in I've been plagued by air being drawn into my system and waking my 2 year up in the morning too early! I've taken up carpets tonight to figure out the exact layout (see below). A couple of years ago I paid for a new Worcester boiler to be...
  6. Untitled

    Untitled

  7. plumbing

    plumbing

  8. E

    Micron 30FF :: No CH demand but HW demand is fine

    that's a drayton example of the actuator from what I've seen on the web? looks like I'll be calling someone out to do this job then. so they are separate issues but will be solved by a new actuator and valve? excellent. Is there any way I can test this before I fork out on all the bits +...
  9. E

    Micron 30FF :: No CH demand but HW demand is fine

    yes, it's not loose and moves with resistance at the right times. with CH only, it moves over to the right position but never sends the signal. with both CH and HW it stays in the middle, so that's what I've left it at as this keeps my house warm :) when it moves to the middle there are...
  10. E

    Micron 30FF :: No CH demand but HW demand is fine

    This are the valve details: "Mid position actuator code" "BGMVSP-23" "British Gas NPC code 555312" However it moves between all 3 positions without issue and at the correct demand when it's connected up. When the power is off, I can't move the lever (it's small and I don't want to...
  11. E

    Micron 30FF :: No CH demand but HW demand is fine

    Hi, Not sure on the make of valve, but will take a look tonight. Thanks!
  12. E

    Micron 30FF :: No CH demand but HW demand is fine

    ah I see, this is starting to make sense. I will have a look tonight when I get home. So if the electric is turned off then the lever should move freely? Many thanks for your help Dave
  13. E

    Micron 30FF :: No CH demand but HW demand is fine

    My mistake. I should have spotted that. So the valve would explain why it heats the radiators when it shouldn't, but doesn't explain the lack of demand for CH? Cheers
  14. E

    Micron 30FF :: No CH demand but HW demand is fine

    Hi, I've had a quick look on the forum but nothing seems identical to what I'm experiencing so I thought I'd have a quick ask to see if anyone can help! I have a Micron 30FF combi boiler that heats the hot water (stored in an insulated tank in the house) and also heats the CH system. The...
Back
Top