Search results

  1. Untitled

    Untitled

  2. AquaHydroChem

    Need a time delay circuit for my float switch and 12v pump?

    But I am not too sure exactly what you are trying to do. And is it for fun in which case yes play with 555 or is it more important in which case use a liquid control relay which has this all built in. Just want to get the job done as quickly as pos rely What is a liquid controlled relay...
  3. AquaHydroChem

    Need a time delay circuit for my float switch and 12v pump?

    Not sure about wiring on car though But dose a car indicator work on making a circuit through the indicator stork and the light coming on for 1 sec and then 1 sec off and back round again On my system if the switch showed no circuit the pump would be off as soon as the water drops the switch...
  4. AquaHydroChem

    Need a time delay circuit for my float switch and 12v pump?

    That Idear I tried on Monday Made an extension of the float using PVC tubing but because the size of the mixer tank I could only put a 5’’ extension on it Put a plug on the end of it filled it with water to give it a slight positive bouncy It did make a slight difference in the on off...
  5. Untitled

    Untitled

  6. AquaHydroChem

    Need a time delay circuit for my float switch and 12v pump?

    the tkt330 Seams to be use for burglar alarms will the time intervals be regulated by the switch and not the TKT330.will it reset its self when the switch opens and closes and wear would I wire it into my schematic My schematic has a rely would I have to do away with it Hear is wear I...
  7. AquaHydroChem

    Need a time delay circuit for my float switch and 12v pump?

    Hi I need a time delay circuit, had a look on the internet and could not find any for sale So I probably need to build a time delay circuit that when the float switch closes (opens the circuit) there will be a time delay from when the pumps turns on And/or when the float switch opens...
  8. fs

    fs

  9. AquaHydroChem

    No power in battery to unlock the car door

    Excellent Mike; common sense is always the best and easiest chose kingboy its a P reg mate there is only one lock and that’s the drivers door When I got the car it came with a fob and a key the fob has not rely worked since I’ve had the car; I’ve always used the key to lock it, it is a...
  10. AquaHydroChem

    No power in battery to unlock the car door

    I'm having some problems with my car at the moment Its a Vauxhall vectra with a complete flat battery The car is looked and there is no power in the battery to turn the central locking over with key or immobilizer. And the catch for the bonnet is inside the car so I can’t pop the bonnet to...
  11. AquaHydroChem

    Problem wiring float switches

    I have had the floats switches switching on and off the pump as show in the above sequence working fine Until now; I think the bottom float switch welded/arched together again and the top switch would not turn off completely (I think) only switch half off if you know what I mean Because the...
  12. AquaHydroChem

    Problem with high pressure pump

    Thought plumbing would be the best topic for this since as theres no topic forum for Hydraulics I have a 3000 PSI pump that is belt driven by a Briggs and Stration engine (also drives a vacuum blower) it is not a coupe up to a hose pipe job the water is supplied to the pump from a mixer tank...
  13. AquaHydroChem

    Problem wiring float switches

    Thank you very much everyone I have now gone and brought some diodes and fited one and the switch is now holding 15AMP Spark123 I'm from Cumbria as well
  14. 4

    4

  15. 3

    3

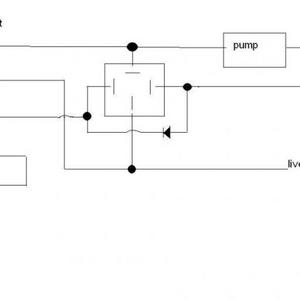
  16. AquaHydroChem

    Problem wiring float switches

    This is my first post hear so first I would like to say hi I have 2 Float switches that operate a ‘pump in pump’ for a mixer tank on a 12V DC circuit. The Lower float switch turns the pump on and the upper float switch turns the pump off as can be seen in the hand draw diagram attached...
  17. 2

    2

Back
Top