Search results

  1. Untitled

    Untitled

  2. Untitled

    Untitled

  3. G

    Pump direction

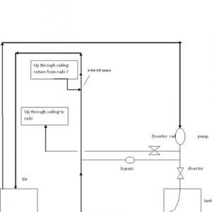
    Hello everyone, I still have the same problem and have taken it a little bit further. I have changed the divertor for the central heating and I have proven the bypass is not passing. I think it is reverse circulation as per moggets comments and I have attached a drawing of my system for...
  4. Untitled

    Untitled

  5. fault

    fault

    faults
  6. G

    Pump direction

    Paul, spot on, I do have two 2 port valves (controlled by actuators), sorry for the confusion everyone. I have replaced the two port valve for the central heating prior to asking for everyones help as I thought this was passing and indeed on stripping it down the seat was worn. I still...
  7. G

    Pump direction

    Thanks for the help everyone. Work has me away for a couple of weeks will get the drawing on the system as soon as I am back. Cheers :)
  8. G

    Pump direction

    Sorry AlanE I will use this thread. Thanks for the replies. The pump is in the correct orientation. again the radiators are getting warm(not hot) when the hw is required. I have gone round and closed all the thermostatic valves and the pipework from the ch diverter has cooled. What I can't...
  9. G

    Pump direction

    Would the direction of water flow from a pump in a system have any effect if it was incorrect? I am having problems with my radiators becoming warm when hot water is only selected. It cannot be the diverter actuators on the danfoss valves as I have replaced these. It cannot be the valve...
Back
Top