Would the direction of water flow from a pump in a system have any effect if it was incorrect?
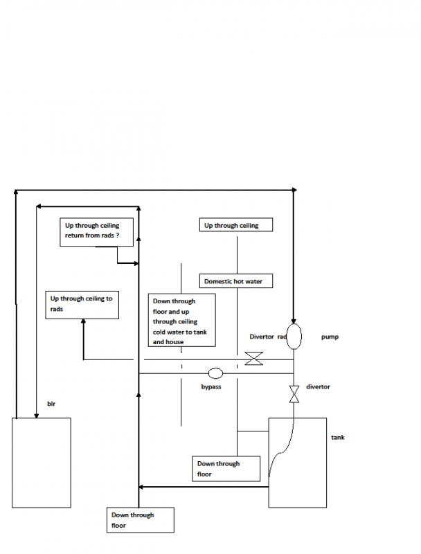
I am having problems with my radiators becoming warm when hot water is only selected. It cannot be the diverter actuators on the danfoss valves as I have replaced these. It cannot be the valve itself associated to the central heating as I have replaced this (danfoss HPV22B). The 22B gives 100% shutoff. My thoughts are that I have placed the valve in the correct orientation as indicated on the valve body. If the flow was incorrect and was then pumping against the closed valve with enough pressure to overcome the spring pressure on the actuator and thus slightly pass through then the circuit for the radiators would be complete and slight heating would occur on the radiators with this minimal flow.
Would there be issues with the boiler if the pump flow was in the wrong direction or is this a common event.
Would anybody have any thoughts?
Kind regards
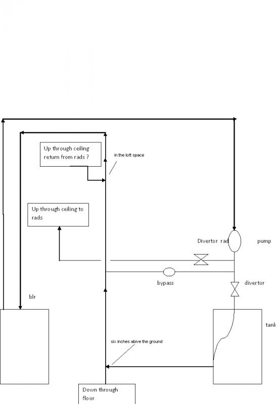
I am having problems with my radiators becoming warm when hot water is only selected. It cannot be the diverter actuators on the danfoss valves as I have replaced these. It cannot be the valve itself associated to the central heating as I have replaced this (danfoss HPV22B). The 22B gives 100% shutoff. My thoughts are that I have placed the valve in the correct orientation as indicated on the valve body. If the flow was incorrect and was then pumping against the closed valve with enough pressure to overcome the spring pressure on the actuator and thus slightly pass through then the circuit for the radiators would be complete and slight heating would occur on the radiators with this minimal flow.
Would there be issues with the boiler if the pump flow was in the wrong direction or is this a common event.
Would anybody have any thoughts?
Kind regards
