Search results

  1. A

    Kitchen lighting fuse keeps tripping

    Recently moved into a new house, and the kitchen lighting circuit keep tripping every few days. Normally happens when switching on or off the lights and you have to flick the fuse back. There are 8 mr16 spot lights split between the utility room and downstairs toilet, 8 mr16 spot lights on a...
  2. A

    Nest Installation with unvented Hot water tank

    I get that it is designed to run on the off peak tariff, but I could ensure I follow that within Nest. Also for the boost function, if it is anything Hive then I should be able to set the thing to run from the app as needed. Alternatively are there any better thermostats available that support...
  3. A

    Nest Installation with unvented Hot water tank

    It is, but the timer is rubbish and we are forever running out of hot water and it is a pain to go and press the boost button to get some more hot water.
  4. A

    Nest Installation with unvented Hot water tank

    Just been told by someone else that my system is not compatible and to make it work, it would need a rewire and a powerful switch installing. Can anyone shed any light on what the plumber is referring to?
  5. A

    Nest Installation with unvented Hot water tank

    Hi there, I am seeking some assistance to determine if it is possible to connect a Nest thermostat to a Megaflo 125DD which currently has a Horstmann Electronic 7 Digital Economy 7 Timer & Boost Control currently fitted. I have been in touch with Nest who confirm compatibility, however when I...
  6. A

    Baxi 105e boiler query on installing a thermostant

    Hi all, I have a Baxi 105e boiler and have just purchases a hive active heating thermostat and a query on the wiring of the thermostat. Currently the 7 day digital clock is used to operate the boiler. Will the clock remain in the boiler, I imagine yes and the wireless thermostat will...
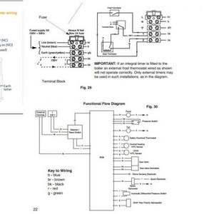
  7. Boiler and thermostat wiring

    Boiler and thermostat wiring

    The thermostat wiring is on the left and the boiler is on the right.
  8. Wiring

    Wiring

Back
Top