Search results

  1. A

    Help - Noisy Boiler and DIY Disaster

    Thanks all, so it appears that the plumber was right. Is there anyway to confirm that this is the case, i.e. an obvious sign that the pump is plumbed the wrong way round? For example, can I check the vent pipe to confirm this? Assuming the pump is the wrong way round: 1) Will that lead...
  2. A

    Help - Noisy Boiler and DIY Disaster

    Hi, Thanks. The Boiler is a Potterton (I did mention that), but the model is a Suprima. All the pipework running to and from the boiler is boxed in, so I was hoping for some guidance prior to taking all apart. As requested by TCCHeating, some picture are below, I appreciate that it may...
  3. Untitled

    Untitled

  4. Untitled

    Untitled

  5. Untitled

    Untitled

  6. Untitled

    Untitled

  7. Untitled

    Untitled

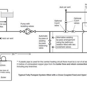
  8. Boiler

    Boiler

  9. A

    Help - Noisy Boiler and DIY Disaster

    Hi all, I could really do with some help, I've looked around the form and followed some advice, but not reached a resolution. I moved into a 14 year old house in October 2014. The house is fitted with a Potterton boiler with and F&E tank in the loft and a hot water cylinder. When we...
  10. A

    mondeo ghia mk3 tyres

    I would say 15K for a set of tyres is low, but the general rule is the more grip you have (ie the softer they are) the less wear you should expect.
  11. A

    Lights won't switch off - Daewoo Matiz

    SOunds like the relay mate. Get the owners manual, find the relay (normally under the hood) and replace it (about £7). Had the same problem on my Accord, with the fog lights.
  12. A

    mondeo ghia mk3 tyres

    Just to add, 13000 miles in three years? Could it be becasue the side walls of the tyres are cracking. Its a problem with tyres when they are sat stationary for too long.
  13. A

    mondeo ghia mk3 tyres

    It is unusual for a car to go through tyres that quickly. I would suggest that you do a quick inspection yourself. Are the tyres wearing evenly? If not, it could point to suspension problems. Check the tread depth yourself, using a 2 pence coin. Pirellis are normally a soft compound...
  14. A

    Distance from drainage/water supply

    That would explain it. No chance of getting that gradient under your average kitchen unit!
  15. A

    COLD WEATHER AND DIESEL ENGINES

    As said, diesels require more battery amps to start, as they use glow plugs rather than a spark to ignite the fuel. Also, diesel oil is thicker than petrol oil, which doesn't help. The cold whether has a reduction is battery output. In short, get your battery checked out first. Halfords...
  16. A

    Distance from drainage/water supply

    Firstly, great site. This is my first post, so be gentle! I have exactly the same problem, and thought of piping to the new applicance, however, space under the kitchen units is limited, and it is only possible for me to get a 1cm fall over 1m (total distance is about 4 meters)...
Back
Top