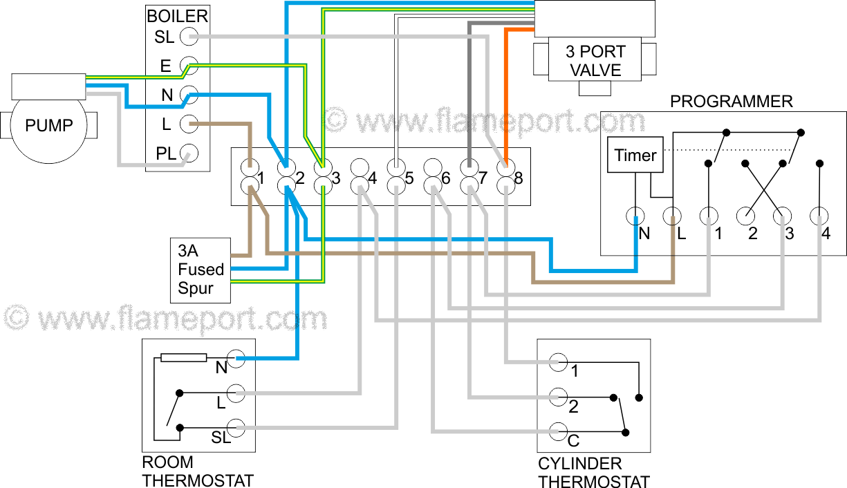
I seem to be getting a lot of backfeed with CH and HW turned off. 132v on white and orange on 3 port valve.
When CH is on demand I also get 240v on HW on cable to cylinder stat but HW is not turned on at programmer. Is this normal?
When CH is on demand I also get 240v on HW on cable to cylinder stat but HW is not turned on at programmer. Is this normal?
