I have replaced my poorly installed gravity system with a new Y Plan fully pumped system.
The Problem: When the HW system is on it is quite noisy, with the sound of water rushing around the pipes. I am assuming that this is caused by trapped air.
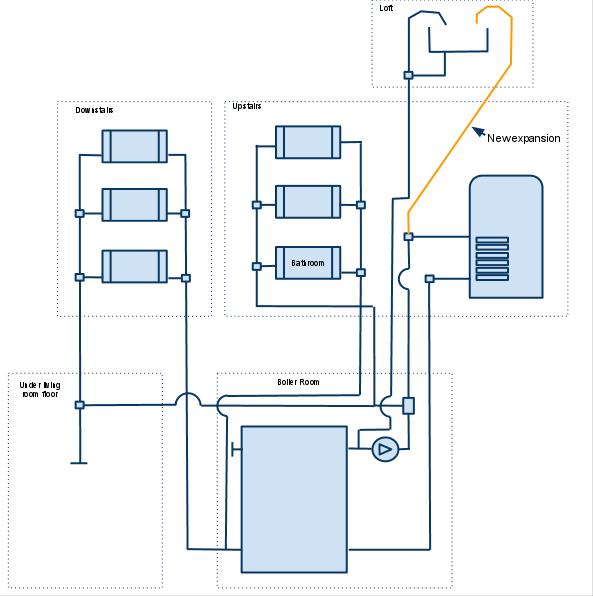
I think my layout is wrong and I need to add a vent pipe to the 28mm tank inlet running to the CH expansion/feed tank in the loft.
Here is what I have currently with the proposed pipe (in orange).
Is this correct?
[Edit] The initial image in the post was wrong, the CH upstairs now runs direct to the boiler rather than teeing into the HW return. Don't think that affects this post 's problem though.
The Problem: When the HW system is on it is quite noisy, with the sound of water rushing around the pipes. I am assuming that this is caused by trapped air.
I think my layout is wrong and I need to add a vent pipe to the 28mm tank inlet running to the CH expansion/feed tank in the loft.
Here is what I have currently with the proposed pipe (in orange).
Is this correct?
[Edit] The initial image in the post was wrong, the CH upstairs now runs direct to the boiler rather than teeing into the HW return. Don't think that affects this post 's problem though.
