Heatmiser UH4 with Nest for Zone 4 and Hot Water

Joined
26 Nov 2017
Messages
25
Reaction score
1
Country
United Kingdom
Hi all, I've got my UH4 setup with nest thermostats for my UFH zones, the hot water is on a timer. the nest supports hot water too so I was wondering if it was possible to use zone 4's nest thermostat for the Zone And the hot water?

see attached for the wiring diagram of the uh4
 

Attachments

  • upload_2019-11-20_19-27-57.png
    upload_2019-11-20_19-27-57.png
    109.7 KB · Views: 5,023
Nest terminals (5) 'Hot Water Common' & (6) 'Hot Water Call for Heat' provide a simple on / off switch function which could replace a timeswitch.

wiring-diagram-for-nest-wiring-diagram-data.png
 
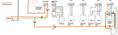
Thank you, here's roughly my setup. Does everything look ok here?
 

Attachments

  • UFH2.jpg
    UFH2.jpg
    355.8 KB · Views: 1,673
A bit tricky when you don't show the Nest terminal numbers and some are omitted, but if the HW grey wire on the far right of the heating and hot water Nest from S/L is connected to Nest terminal (6) and the 3 brown wires are to (L) (2) and (5) then that is what I would expect to see.

Same for the heating assuming you are using terminal (3) for S/L

z4.JPG



In a similar vein, the Zone 1 UHF Nest on the left would also be what I would expect. Terminal numbers permitting.

z1.JPG



Not sure what you've done with Zone 2 & 3 though they are different, but as you don't label the terminals.....I suspect maybe a copy / paste / mirror, error :)

z2.JPG
 
thanks stem, yeah I just copied and pasted them so they were all similar, mirrored one as you said, I'm fine with the nest terminals and fitting so just omitted them.

the things I mostly wanted to check were:

1. I could simply use the switched live from the last nest on the hot water like in the diagram. I was 99%

2. The "volt free" connection to the boiler made me ponder for a moment whether I should run the neutral back to the mains or not

3. I'm still not 100% sure that zone 4 is going to call for the boiler with the "yes / no" switch set to no (CH) or if I have to connect orange and grey to it from CH

Thanks again
 
Sorry when you said you had your UH4 set up, I assumed the heating was set up and working and you just wanted to add HW control as per your question. So I didn't really check the rest.
 
Sorry when you said you had your UH4 set up, I assumed the heating was set up and working and you just wanted to add HW control as per your question. So I didn't really check the rest.
ah yes sorry wording , i meant my setup not set up.

looking again i'm pretty sure i have to use the end switch of the valve to start the boiler there.
 

Attachments

  • UFH3.jpg
    UFH3.jpg
    366.8 KB · Views: 822
I suspect that will be the case. You could try it without and see if the boiler fires up, but I doubt it will.

However as you have drawn it, the motorised valve's brown live and grey wire are connected together. So, once the valve opens and the switch contact is made, orange is connected to the boiler meaning whilst ever the boiler is running because of one of the other Nests, it will feed back to the Zone 4 MV orange wire through the switch to grey and on to brown, thus keeping Zone 4 valve open, even when its thermostat has switched off. Follow the red arrows below and you will see what I mean.


UFH3.jpg

The grey wire should go to a permanent live, not to the MV brown wire.
 
So we have an issue where we cant easily get to the existing heating zone valve (s-plan) without some serious replumbing!!. So the new UFH zone valve and pump is plumbed down the line from the CH zone valve - needing both to activate when UFH is called for (as UFH would get no supply!). Jumping of the back of the previous issue here to see what people think on swapping the usage of the Heatmiser using the UFH pump/valve take of for the CH (to make sure this always comes on when UFH is called for).



1769594852039.png
 

If you need to find a tradesperson to get your job done, please try our local search below, or if you are doing it yourself you can find suppliers local to you.

Select the supplier or trade you require, enter your location to begin your search.


Are you a trade or supplier? You can create your listing free at DIYnot Local

 
Back
Top