- Joined
- 9 Nov 2016
- Messages
- 17
- Reaction score
- 0
- Country

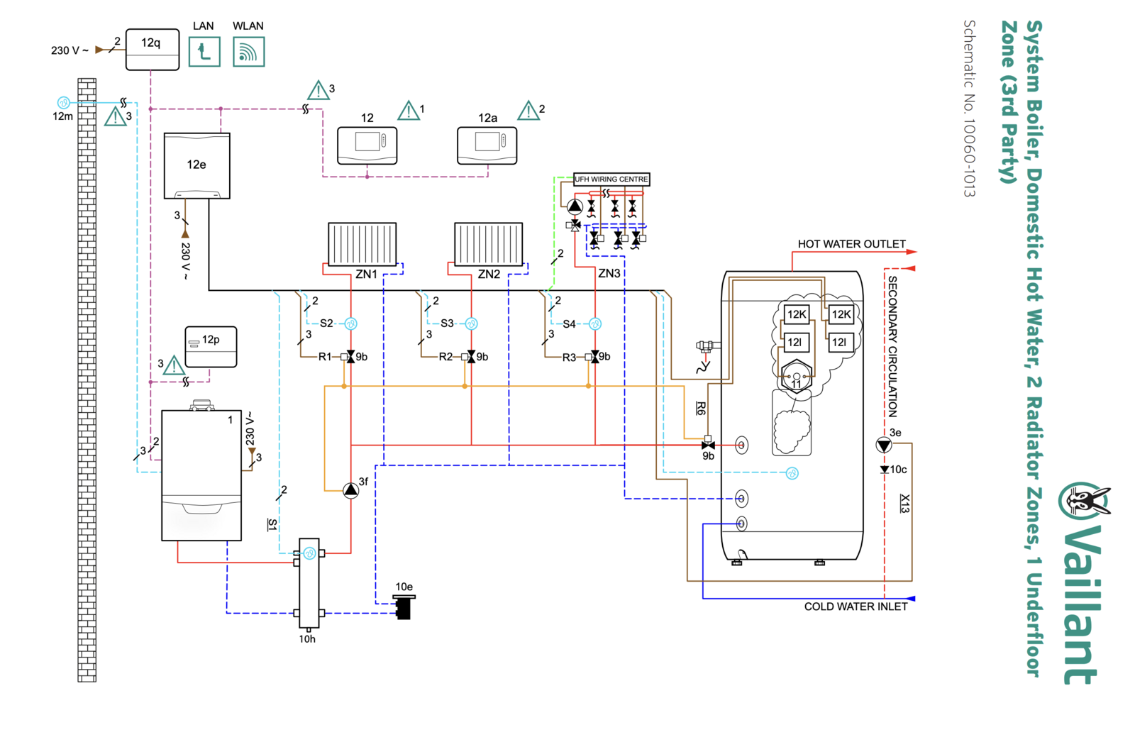
Hi,
This may be a stupid question, in this setup, what should the manifold pump be connected too?. Should it be the connected the VR71 (for example using the diagram below, to R1 for Circuit 1), or should it be connected to the UH8-RF v2 instead?
My setup is something like the following but both ZN1 and ZN2 are UN8-RF v2's
This may be a stupid question, in this setup, what should the manifold pump be connected too?. Should it be the connected the VR71 (for example using the diagram below, to R1 for Circuit 1), or should it be connected to the UH8-RF v2 instead?
My setup is something like the following but both ZN1 and ZN2 are UN8-RF v2's