Wiring a Drayton Rts8 Room Thermostat to Lifestyle LP711.

Joined
26 Mar 2014
Messages
4
Reaction score
1
Location
Manchester
Country
United Kingdom
Help much needed.

I currently have a Ravenheat 820/20 combi boiler which is controlled by a Lifestyle LP711 timer.
I would like to connect a room thermostat (Drayton RTS8) to the timer & boiler.

Fused spur has L N E going to timer.

Wall plate has 5 core L N E Black in 1 & Black in 3 to boiler.

Connections in boiler From timer L N E Black to C & Black to D.

Any help greatly appreciated from a first timer on the site :D
 
Hello Eckie69 and welcome to the forum

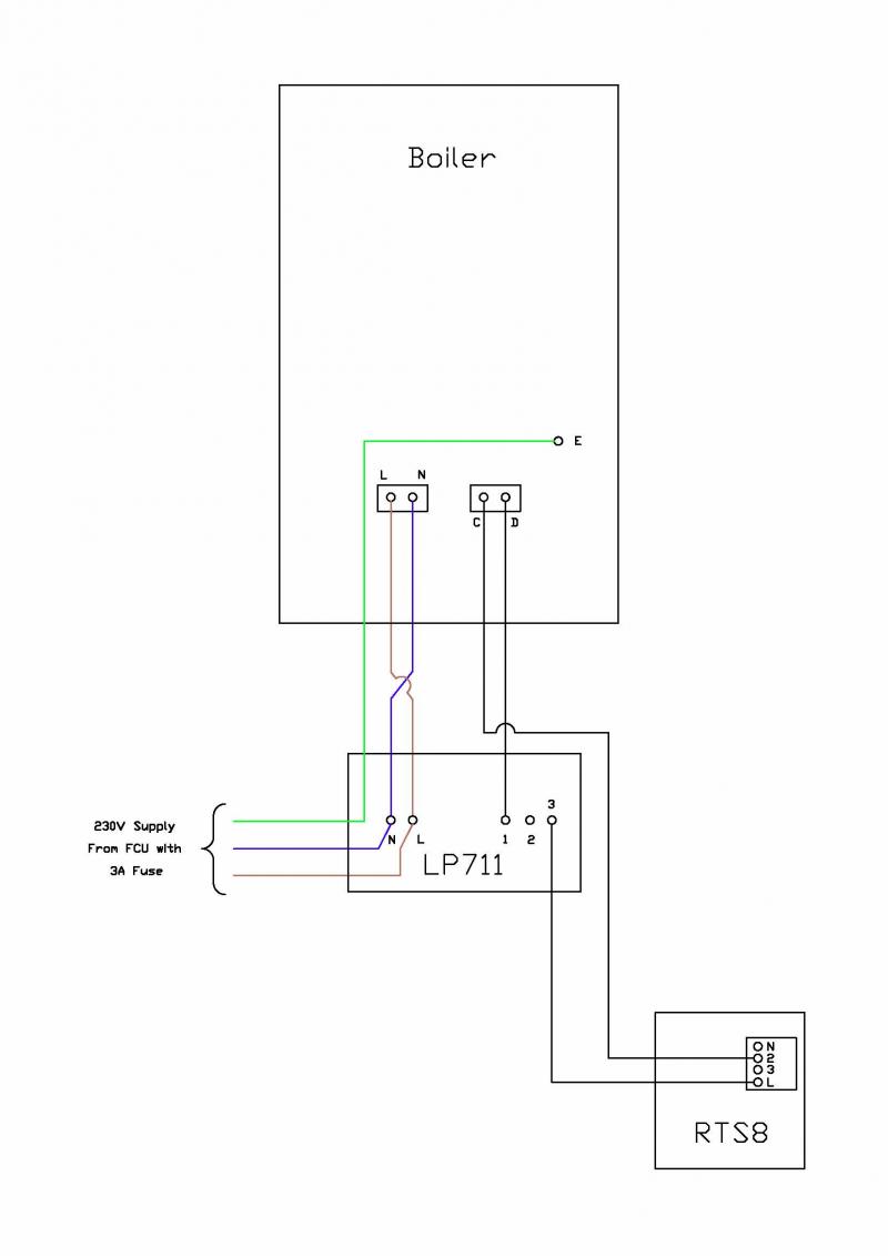
The Ravenheat boiler control voltage is 24v and is isolated from the main 230V supply (no neutral). Therefore the thermostat connections as per the centre drawing [Fig 6] of the RTS8 wiring instructions would be applicable.

As shown on page 25 of the Ravenheat RSF 820/20T installation manual, the 24v supply from the boilers internal transformer for use by the external controls is connected to terminal 'D' The return supply from the external controls to the boiler circuitry is connected to terminal 'C'

The connections would therefore be as shown below.


You will have to connect the black wire going to the boiler 'C' terminal to the wire going to RTS8 terminal '2' this can be done with a screw connector placed inside the LP711, I've shown this wire outside of the LP711 for drawing clarity.

The drawing shows the RTS8 being wired in at the LP711. Alternatively, you could wire it in at the boiler instead. Use whichever method would be the easiest for installing the cable.

I hope this is helpful, post back if you have further questions.
 
If I was to wire in the RTS8 direct to the boiler as you say.... Would this make the timer redundant or would the two still work in tandem ?

Again many thanks for the help :D
 
All you need to do is ensure the thermostat interrupts the CH ON signal to the boiler, you can wire it in at either end. I do find however that the RTS8 doesn't work all that well in 2-wire mode - you may be better off with a Drayton Digistat+.
 
If I was to wire in the RTS8 direct to the boiler as you say.... Would this make the timer redundant or would the two still work in tandem ?

Again many thanks for the help :D

They would still work in tandem, and the circuit would be exactly the same, the only difference is where the connections are made.

1. Leave the two black wires connected to terminals 1 and 3 at the time switch end exactly as they are.

2. Run a new cable out to the thermostat from the boiler and connect wires to terminals L and 2 at the thermostat end

3. Remove the black wire from the C terminal at the boiler fit a screw connector to it and connect it to the wire going to L on the thermostat.

4. Then connect the wire from number 2 terminal on the thermostat to the now vacant C terminal on the boiler.

Job done
 
Option 2 is the better option due to the location I want the thermostat in.
Thanks for your help Stem, much appreciated.
 
Revised drawing showing connection of the thermostat wiring at the boiler. Check boiler manual to see if you should use heat resistant cable.

 

If you need to find a tradesperson to get your job done, please try our local search below, or if you are doing it yourself you can find suppliers local to you.

Select the supplier or trade you require, enter your location to begin your search.


Are you a trade or supplier? You can create your listing free at DIYnot Local

 
Back
Top