If its twin capillary, where is the second capillary pocket on the cylinder and what is the correct stat model and has that also got two capillarys and what is its switching differential and are you getting and installing one of them?
They both go into the same pocket, it seems one is for the stat and one for the thermal cut out.If its twin capillary, where is the second capillary pocket on the cylinder and what is the correct stat model and has that also got two capillarys and what is its switching differential and are you getting and installing one of them?
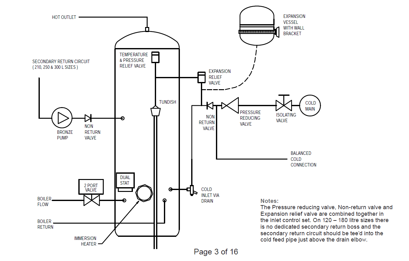
So is this Cotherm BTS60109 the recommended stat for your cylinder?, if so, can you replace it with a twin capillary one with a higher switching differential incorporating the thermal trip?
Probaby not, Cotherm by email say, regarding the BTS6019, "Santon originally determined the spec of this thermostat, and it is supposed to have a tight tolerance to maintain the water temp." this stat is only used by Santon, they (Cotherm) said they could specify a different BTS stat with a 5C to 8C differential, so maybe Paul is looking at this.I wonder whether other unvented cylinders also work like the OP's? The OP only seems to have found out through not having a timer. Most people would never know. Heatrae Sadia and Megaflo are big players, I believe. It would be strange for them to be so different to other brands.
Thanks, yea they confirmed the same to me, so I am somewhat stuck as it stands, however with a timer on it I am definitely burning less gas!Cotherm just informed, "we have nothing that’s meets the criteria", presumably with a 82C hi limit and ~ 5C to 8C hysteresis.

If the stat was higher you would have less hot water and most of the cylinder water would be cold.My cylinder thermostat is clamped into the preformed aperture in the insulation about 1/3 up the cylinder. I'm surprised that any cylinder thermostats are located at the bottom of the tank.
If you need to find a tradesperson to get your job done, please try our local search below, or if you are doing it yourself you can find suppliers local to you.
Select the supplier or trade you require, enter your location to begin your search.
Are you a trade or supplier? You can create your listing free at DIYnot Local