Hi,
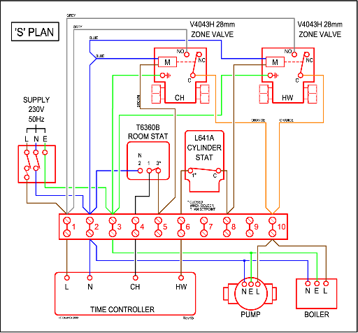
I have a gravity fed system with 2 separate valves for hot water and central heating. Here's what's happening, and I'm really scratching my head here:
The only way to make the central heating work:
- Switch off the central heating from the controller.
- Bypass the central heating valve and lock it in
- Switch on the heating
- Pump starts
- boiler works, hot water + all radiators heat up - until the hotwater tank reaches it's max temperature.
If you don't switch off the central heating from the controller, then after few minutes the mororised valve unlocks the valve, returns to close and switches the boiler off.
If you use it as normal, and switch ON the central heating, the central heating valve motor opens the valve, boiler starts up, after 5 minutes or so, the boiler turns off, and the pump stops.
I just changed the circuit board with a new one - same thing.
HELP Please !!
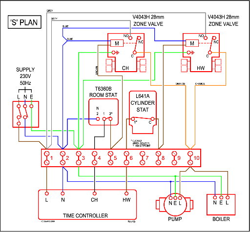
I have a gravity fed system with 2 separate valves for hot water and central heating. Here's what's happening, and I'm really scratching my head here:
The only way to make the central heating work:
- Switch off the central heating from the controller.
- Bypass the central heating valve and lock it in
- Switch on the heating
- Pump starts
- boiler works, hot water + all radiators heat up - until the hotwater tank reaches it's max temperature.
If you don't switch off the central heating from the controller, then after few minutes the mororised valve unlocks the valve, returns to close and switches the boiler off.
If you use it as normal, and switch ON the central heating, the central heating valve motor opens the valve, boiler starts up, after 5 minutes or so, the boiler turns off, and the pump stops.
I just changed the circuit board with a new one - same thing.
HELP Please !!



