This is the basic idea, as
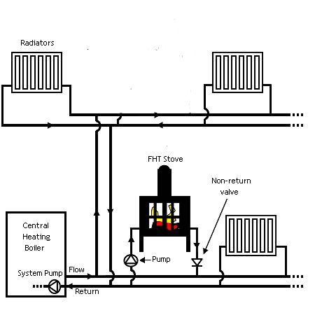
@algas said with first answer, the idea is the wood burner can get rid of the heat using thermal syphon, although it shows a pump, water can still circulate without it. There have been some ideas, the stove shown here

was claimed to be condensing and super efficient, I wrote to them and asked what system was used to cater for power cuts, I got no answer, same with this

one, great ideas, but not thought through, the rocket

does seem to work, but not connected to the central heating, and near impossible to get home insurance with one fitted, so most these ideas are just that, an idea, which has never really been thought through.
The tank shown on the first diagram looks simple, but in real terms very expensive, only seen one fitted, it was fitted when the house was built, so the floor could take the weight of the two massive tanks, diagram shows one tank, but in real terms it was two, I would guess around 150 gallons of water, it was enough so when my brother-in-law who lived in the house visited his children in Germany by turning the temperature down when he left, the solar panels could not only stop anything freezing, but heat the twin tanks enough so at airport on return he could turn up temperature and have house toasty warm using the stored heat, and once home one fire in the evening would maintain the house temperature all day.
So on moving he thought good idea to get installed on new house, got quotes around £24k, no way at 70 would that ever pay back, so he like everyone else has a fire as back up should the oil fired central heating fail, but no back boiler fitted.
The problem with solid fuel is one can't simply switch it off, even with the simple side boiler fitted to my mothers Aga when the water supply was lost, it was a case of rake out the fire, lucky quarry tiled floors, as some ash would always fall on the floor, and she had two fires without back boilers so could still heat the house, but no cooked meals until water supply fixed.
The pipes Aga to cylinder we imperial but around 32 mm, and when she made cakes the water did some times boil, the noise told us what had happened and we would run off hot water, the header tank was steel, so boiling water in the header tank was not a problem, with
plastic tanks they can fail so either metal or thermal setting not thermal plastic plastic needs to be used.
The report blames the lack of a cut out in the immersion heater, but had the tank been metal there would not have been a death, one normally sees the steaming water coming out of the over flow, but clearly no plastic pipes or tanks were used in the 50's when back boilers were common place.
I did see a narrow boat with a Aga with side boiler, it had two 12 volt pumps, from 2 batteries, so one pump would always work, also a weekly test was done to ensure both pumps worked, it was a DIY job by an electrical engineer and it was criticised as not being safe without a open vented header tank, it was open vented, but with a header tank the boat would not fit under bridges, as it was he lost his chimney due to a low bridge.
So in real terms a non starter, as unless done proper, you will have no valid insurance, due to the dangers involved.