U
UkWildy
Hi Everyone,
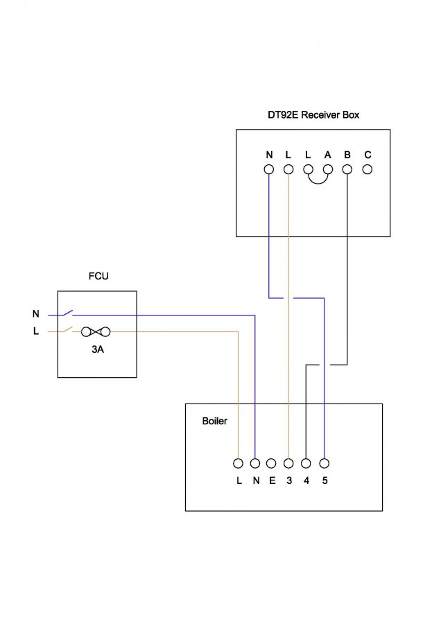
Currently i am at a house that doesn't have a room thermostat, reading the instructions it shows the diagram on how to set it up but later on says "Keep AC mains supply/load cables separate from signal wiring"
Current process is:
1. Live Neutral and Earth at Boiler only.
2. Disconnected and Rerouted above cables to DT92E receiver Box
3. Installed new three core back to Boiler.
4. Terminated live and neutral into DT92E L and N
5. Joint neutral back to boiler, connected (3core) Live back to boiler then terminated into B
Do i now link L to L then L to A? as with above i am unsure.
Any help would be greatly appreciated! Thank you
Currently i am at a house that doesn't have a room thermostat, reading the instructions it shows the diagram on how to set it up but later on says "Keep AC mains supply/load cables separate from signal wiring"
Current process is:
1. Live Neutral and Earth at Boiler only.
2. Disconnected and Rerouted above cables to DT92E receiver Box
3. Installed new three core back to Boiler.
4. Terminated live and neutral into DT92E L and N
5. Joint neutral back to boiler, connected (3core) Live back to boiler then terminated into B
Do i now link L to L then L to A? as with above i am unsure.
Any help would be greatly appreciated! Thank you


