I am fitting a Stuart Turner Monsoon 1.5U.
The airing cupboard with the HWC is on the ground floor. The shower is on the first floor but the pipework goes in to the loft within a few feet of the cold water cistern level hence the universal Stu Turner (in case of negative head probs).
My problem is this - the pipework disapears in to the roof of the airing cupboard which is under a bedroom. The floor in the bedroom is nicely laminated. There is a boxed in area up one wall of the bedroom which has some of the pipework in that goes up to the loft as it is right beneath the f&e which is between the two tanks in the loft and where all the pipework comes up. However, the pipework all comes together under the floor before that and just comes up the wall so you can't
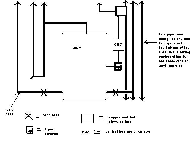
The hot pipework comes up this side of the wall as when it gets in to the loft it just runs along solely to the shower although as per diagram it does vent in to the cold water tank.
What would be the best way to fit the pump? I was thinking it might be best to pump the hot and cold to the whole house rather than just the shower but its getting the pipework down tot he pump from the cold feed for the house that worries me.
The airing cupboard with the HWC is on the ground floor. The shower is on the first floor but the pipework goes in to the loft within a few feet of the cold water cistern level hence the universal Stu Turner (in case of negative head probs).
My problem is this - the pipework disapears in to the roof of the airing cupboard which is under a bedroom. The floor in the bedroom is nicely laminated. There is a boxed in area up one wall of the bedroom which has some of the pipework in that goes up to the loft as it is right beneath the f&e which is between the two tanks in the loft and where all the pipework comes up. However, the pipework all comes together under the floor before that and just comes up the wall so you can't
The hot pipework comes up this side of the wall as when it gets in to the loft it just runs along solely to the shower although as per diagram it does vent in to the cold water tank.
What would be the best way to fit the pump? I was thinking it might be best to pump the hot and cold to the whole house rather than just the shower but its getting the pipework down tot he pump from the cold feed for the house that worries me.
