- Joined
- 23 Dec 2018
- Messages
- 4
- Reaction score
- 0
- Country

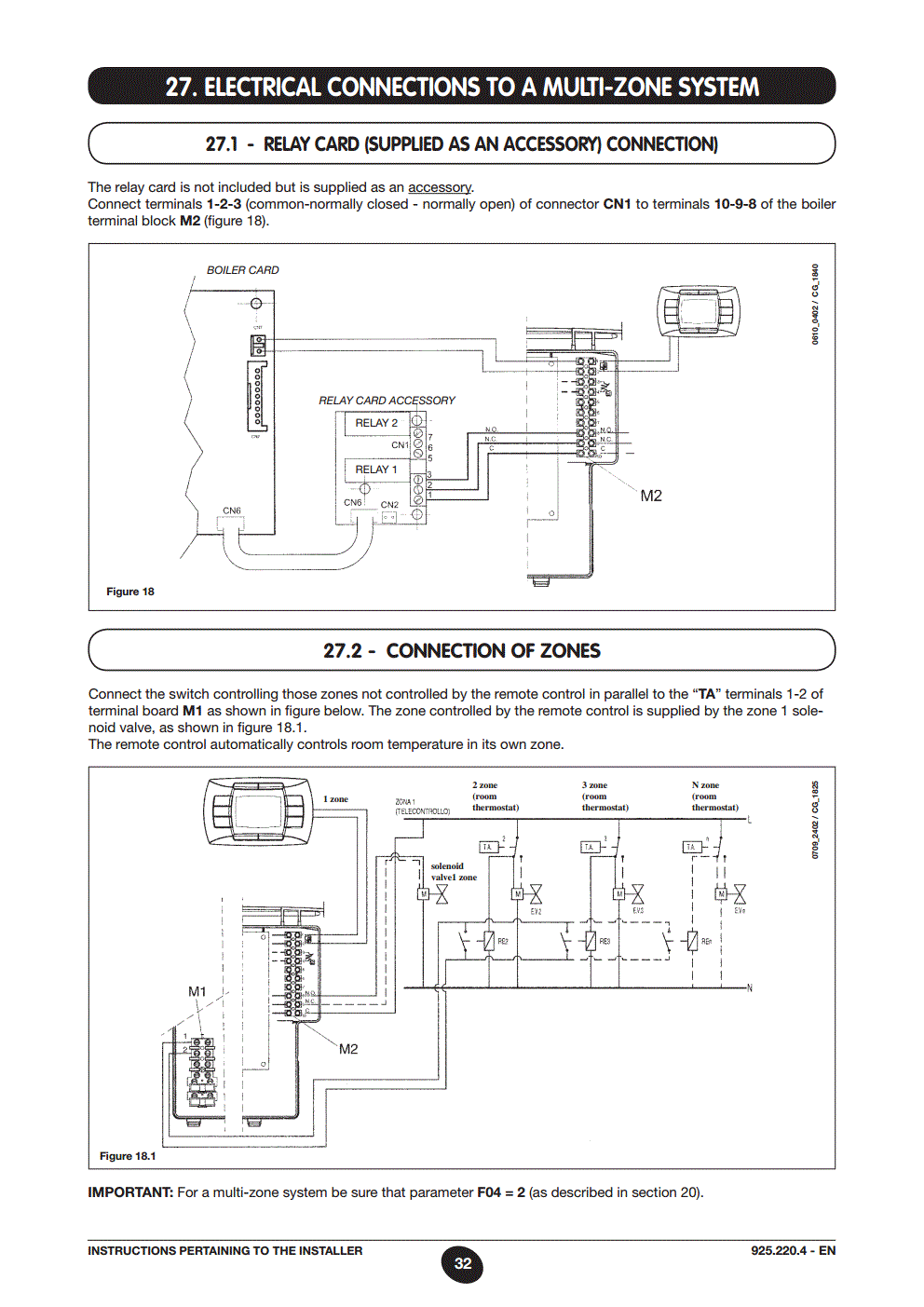
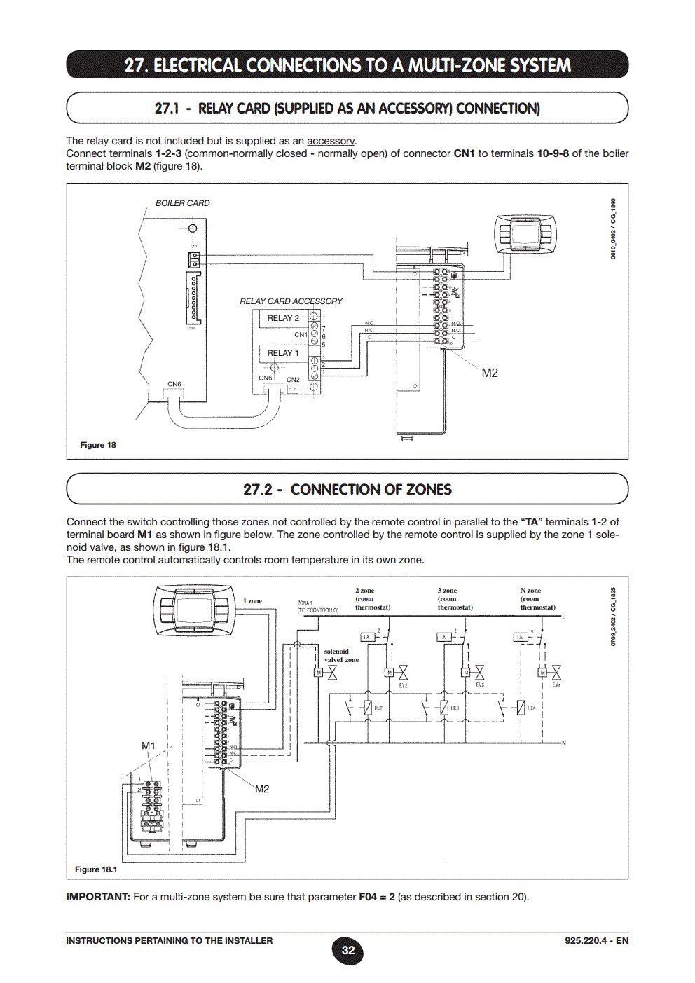
Gentlrman, a little assistance please,
Installing NEST learning thermostat on Baxi hT 330 has external wall BAXI thermostat, connected to M2 boiler connections, 1&2.
Connected Nest, using lot voltage combi, heat link connected to mains, heat link 2 & 3 back to Boiler M2 connections 1&2. T1 and T2 back to thermostat. Green light on heat link, thermostat says connected. But no heat and no hot water.
The boiler came with add on accessory board M2 for original Baxi thermostat installation.
I am thinking that maybe I should go back to boiler M1 and connect M1 thermostat connection to heat link 2 and 3. I haven't tried this yet. I am afraid to just start trying different connections, don't want to fry something.
If any one can offer some assistance as to what the correct connections from boiler to nest heat link, it would be much appreciated.
Thanks
Installing NEST learning thermostat on Baxi hT 330 has external wall BAXI thermostat, connected to M2 boiler connections, 1&2.
Connected Nest, using lot voltage combi, heat link connected to mains, heat link 2 & 3 back to Boiler M2 connections 1&2. T1 and T2 back to thermostat. Green light on heat link, thermostat says connected. But no heat and no hot water.
The boiler came with add on accessory board M2 for original Baxi thermostat installation.
I am thinking that maybe I should go back to boiler M1 and connect M1 thermostat connection to heat link 2 and 3. I haven't tried this yet. I am afraid to just start trying different connections, don't want to fry something.
If any one can offer some assistance as to what the correct connections from boiler to nest heat link, it would be much appreciated.
Thanks