- Joined
- 8 Mar 2019
- Messages
- 5
- Reaction score
- 0
- Country

Hi all,
I'm going to replace my old timer/programmer with a nest thermostat. I understand I will have limitations due to how old my heating system is but I thought it was still better to have a more flexible control system even if the rest was as old as tea.
From what I can ascertain I have what appears to be a C-Type installation but I think it may even pre-date that as I can't seem to find a control valve or a thermostat on the cylinder for it.
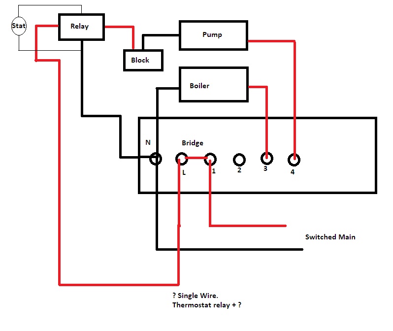
The timer itself is under the stairs and the wiring appears pretty standard (picture attached) but the connector block inside raised my eyebrow. The thermostat is in the hall (always good to relay the hall temperature to heat your living rooms eh) but I can't seem to locate where this terminates. It's a 2-wire thermostat so seems like a very simple unit, I was thinking it's likely connected to a relay?
Is it OK to just connect the wires at the thermostat end and plaster over it? I can only imagine that the wire terminates under the floor somewhere, although it may be behind my fire as it's a back boiler.
Could someone have a look at my current wiring and just check that it's simple enough to swap over using the Nest Link box?
I had a search around and this looks ideal for me but I'm not 100% sure on what goes where.
https://www.diynot.com/diy/media/nest-gravity-hw-pumped-ch.101673/

I'm going to replace my old timer/programmer with a nest thermostat. I understand I will have limitations due to how old my heating system is but I thought it was still better to have a more flexible control system even if the rest was as old as tea.
From what I can ascertain I have what appears to be a C-Type installation but I think it may even pre-date that as I can't seem to find a control valve or a thermostat on the cylinder for it.
The timer itself is under the stairs and the wiring appears pretty standard (picture attached) but the connector block inside raised my eyebrow. The thermostat is in the hall (always good to relay the hall temperature to heat your living rooms eh) but I can't seem to locate where this terminates. It's a 2-wire thermostat so seems like a very simple unit, I was thinking it's likely connected to a relay?
Is it OK to just connect the wires at the thermostat end and plaster over it? I can only imagine that the wire terminates under the floor somewhere, although it may be behind my fire as it's a back boiler.
Could someone have a look at my current wiring and just check that it's simple enough to swap over using the Nest Link box?
I had a search around and this looks ideal for me but I'm not 100% sure on what goes where.
https://www.diynot.com/diy/media/nest-gravity-hw-pumped-ch.101673/