Which instructions have you followed? There’s 2 diagrams there.the oil boiler only fires for CH when HW is on if you go by the instructions for new programmer
www.diynot.com
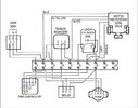
It looks like the LP522 has a gravity mode option on the rear...New programmer is Drayton LP522 I believe
Please let us know if it works!Ok excellent thank you so much I appreciate the help from you and everyone else
I’ll update if I need anymore help lol


so if one of the V3 micro switches stick in the motorised valve then often you can get it so the CH will only work when the DHW is called for, often latching the motorised valve to the bleed position will allow CH to work, but then during the summer when DHW is called for the radiators get slightly warm, so only a temporary cure.Yes, there is - which connects to C/H N/O.There seems to be a connection to DHW N/C
as earlier, you will need to confirm your existing wiring looks something like...


each one uses gravity, but first no DHW temperature control, second summer DHW temperature control and it also allowed boiler to be active 24/7 without it cycling all the time, and the last also gives winter DHW temperature control.
shown here with Nest the other uses a software fix inside the controller so two independent supplies for pump and boiler this is done with the Hive system.Ummm, try looking at the Nest image you posted!But no variant seems to use the N/C contact
If you need to find a tradesperson to get your job done, please try our local search below, or if you are doing it yourself you can find suppliers local to you.
Select the supplier or trade you require, enter your location to begin your search.
Are you a trade or supplier? You can create your listing free at DIYnot Local