- Joined
- 27 Jan 2008
- Messages
- 28,645
- Reaction score
- 3,492
- Location
- Llanfair Caereinion, Nr Welshpool
- Country

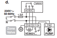
Never considered it before replacing thermostat, fitted a Flomasta 6259G linked to instructions be it heating or cooling Com and N/O are used, it would seem to swap you move a link, this makes sense as then if batteries become discharged it fails safe. It has a single relay so not suitable for heating and cooling, it is only suitable to do one at a time.
I have a thermostat used for brewing with twin relays which controls heating and cooling and there is a gap between the two temperatures and without twin relays you can't have that gap.
So what is the N/C contact for? I just can't think of a scenario where the N/C contact is required.
I have a thermostat used for brewing with twin relays which controls heating and cooling and there is a gap between the two temperatures and without twin relays you can't have that gap.
So what is the N/C contact for? I just can't think of a scenario where the N/C contact is required.