Understanding Wiring Diagrams

Joined
29 Aug 2007
Messages
435
Reaction score
38
Location
Buckinghamshire
Country
United Kingdom
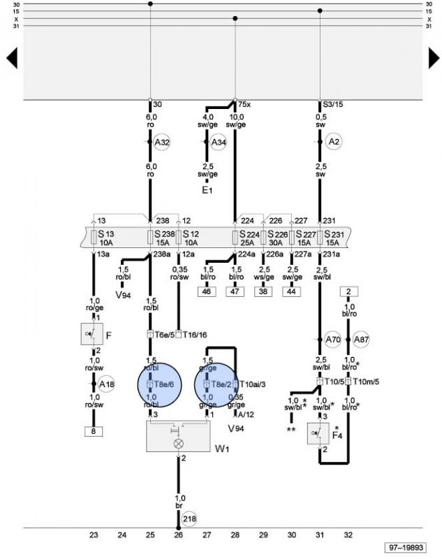
Can annyone recommend a good book which explains how to understand automotive wiring diagrams. For example this one:


I can work out what most of the sybmols are, and I have a key for colour codes but I don't understand the bar at the top with the lines 30, 15, X, 31, the numbers on the wires or the numbers at the bottom of the picture.

Does Hilliers Fundementals of Automotive Electrics explain that? Was thinking of getting it for Xmas.

Cheers
 
Yes they will and Haynes have some good electrical books as well. At the
back of most of Haynes workshop manuals most of the terms you want are
explained

In a nut shell: The numbers at the top 15, 30 31 85, 86, 78. ect ect are all
DIN (72552) numbers and tell where the wires are coming from. The letters are shorthand for the wire colours and the other numbers are terminal numbers on the connector, so you can find each connection.

Have a look at: http://www.e38.org/understanding euro wiring diagrams.pdf
 
Back
Top