Recent content by ashleyp

  1. A

    Tar like substance dripping

    During the hot weather we recently have had, some tar like substance looks to have leaked from these supply connectors: I assume this is not normal in hot weather and I should get the DNO out? What is the correct term for those connectors? Thanks
  2. A

    Cast Iron soil pipe

    I've got a leak coming from the saddle boss taking the PVC plumbing into a cast iron soil pipe. What is the best material to use to seal it from the outside - it looks like there is silicone there currently and some has peeled away. Thanks, Ash.
  3. A

    wireless alarm help! new install spec!

    Me neither, so take my advice with a pinch. The best advice is to get the pros in for some quotes (and advice), then decided what to do. I wouldn't bother with the extra contacts/plus for a non-monitored install, just use the two in the package for front/back doors. Protect the upstairs hall...
  4. A

    Condensate leak on potterton he60

    Hi, Had a leak dripping from the condensate down the pipe, and had a gas safe guy come in. He removed the main combustion cover, and replaced a jubilee clip which held the pipe from the boiler to the condensate trap. The leaks fixed, but the guy didn't inspire any confidence in the way he...
  5. A

    how to stop the bell ringing when working on alarm (texecom)

    Fire the strobe 3 times. http://www.diynot.com/forums/viewtopic.php?t=235108 http://www.diy-alarms.co.uk/catalog/which_sounder.php
  6. A

    Yale 6400 multiple sirens

    With the Yale 6400 is it possible to have two sirens with different Confirm On/Off, Entry Snd On/Off settings? (So the external bell is off, and an internal one is on.). Thanks.
  7. A

    Premier 48-w hard wired zones

    I am trying to decide between Premiem Elite 24/48 with wireless expander, or the Premier 48W. Reading the quick start guide says on p16 it says... "Zones 0 expandable to 48" http://www.alertelectrical.com/uploads/asset_file/Premier48-W%20Quickstart%20Guide.pdf However, on other sites it...
  8. A

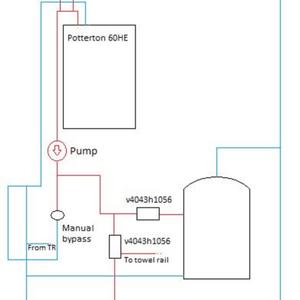
    Automatic bypass valve

    When only the HW is selected the CH 2 way valve is correctly closed and HW open. However the radiators upstairs get warm with the heat coming from the return pipes. So, in summer we turn off the TRVs on the rads. The manual bypass is 1 turn open, and you can feel the pipe below the bypass...
  9. A

    Reconnection of Electricity

    You are missing the point in both cases, the ex-tenant is legally liable for the costs of replacing the window, or getting the DNOs equipment made good. Just like a Window company, the DNO are not going to chase the tenant to pay up, you have to stump up the cash to get it fixed, then you...
  10. A

    CMT927

    Thanks, suspect it will take longer as the wiring looks like a bodge job. (Orange wires going nowhere just taped together for example)
  11. A

    CMT927

    Hi, Currently have a Potterton Suprima HE 60 boiler, with a Honeywell ST6400C controller, and analog room stat. It's a S-Plan system with 2xHoneywell v4043h1056 two way valves. Wanting to move the thermostat into the lounge, so looking to get a Honeywell CMT927 for CH timer and...
  12. A

    TRV identification

    Hi, Does anybody what TRV / fitting this is? http://img860.imageshack.us/i/p1010716.jpg/ http://img689.imageshack.us/i/p1010718l.jpg/ Thanks, Ash
  13. A

    Potterton HE 60 cutting out

    Hi, We have a problem with our Potterton HE 60 convential condensing boiler, it randomly cut outs and all three leds on the PCB would flash very very dimly (Normally all flashing is false flame). Local gas man came over, and stuck in a new PCB, and it still has exactly the same issue. At...
  14. A

    Stopcock on s-plan

    Hi, Recently moved into house and just wanted to check a stopcock position - currently is it fully open does that make sense? Thanks, Ash Boiler: Conv - Potterton Suprima HE 60 Pump: Grundfos ups-15-50 130 Two way valves: 2x Honeywell v4043h1056
  15. A

    Boiler only fires for CH

    Thanks, makse sense - and similar thing here http://www.lovekin.net/honeywell-motorised-valve-faults.html
Back
Top