[UPDATED POST]
OK, since the first post of my schemtic I have updated this (original) post becasue the original image was too crap to be read properly. I have therefore improved this image and also added the other two PCBs that I came across and rev-eng'd.
As you can see there are 3 different control boards of ever increasing complexitiy. I guess they've improved the design with the passage of time. I have therefore called them MKI, MKII & MKIII. This is just a naming convention that I alone have given them.
Please note that although I have strived for accuracy please do NOT assume anything is indeed correct! I just hope someone can make use of it.
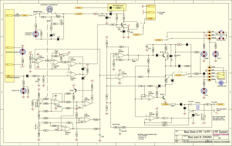
These control PCBs are from a replacement kit #231711, the PCB number is 230260 and can be used to control Baxi Solo 2 PF / 3 PF / 3 PF Systems.
Cheers,
Andy
-------------
MKI
Schematic
-------------
MKII
Schematic
PCB Board (Front and back).
-------------
MKIII
Schematic
PCB Board (Front and back. Note Tracking view has been mirror imaged).
PS.
What a pain in the arse that was to do. For some reason the images uploaded to DIYNot are compressed (?) and as a result degraded. Hence the addition of the PhotoBucket links to better qualitiy images.
OK, since the first post of my schemtic I have updated this (original) post becasue the original image was too crap to be read properly. I have therefore improved this image and also added the other two PCBs that I came across and rev-eng'd.
As you can see there are 3 different control boards of ever increasing complexitiy. I guess they've improved the design with the passage of time. I have therefore called them MKI, MKII & MKIII. This is just a naming convention that I alone have given them.
Please note that although I have strived for accuracy please do NOT assume anything is indeed correct! I just hope someone can make use of it.
These control PCBs are from a replacement kit #231711, the PCB number is 230260 and can be used to control Baxi Solo 2 PF / 3 PF / 3 PF Systems.
Cheers,
Andy
-------------
MKI
Schematic
MKI Schematic
BaxiSolo3 pfl50 MKI schematic.<br>Reverse Engineered, i.e. DON'T TRUST IT!
-------------
MKII
Schematic
MKII Schematic
BaxiSolo3 pfl50 MKII schematic.<br>Reverse Engineered, i.e. DON'T TRUST IT!
PCB Board (Front and back).
MKII PCB (front)
Component view of PCB<br>Baxi part #: 230260<br>Baxi Solo 2 PF / 3 PF / 3 PF System
MKII PCB (back)
Track view of PCB (mirror imaged)<br>Baxi part #: 230260<br>Baxi Solo 2 PF / 3 PF / 3 PF System
-------------
MKIII
Schematic
MKIII Schematic
BaxiSolo3 pfl50 MKIII schematic.<br>Reverse Engineered, i.e. DON'T TRUST IT!
PCB Board (Front and back. Note Tracking view has been mirror imaged).
MKIII PCB (front)
Component view of PCB<br>Baxi part #: 230260<br>Baxi Solo 2 PF / 3 PF / 3 PF System<br>
MKIII PCB (back)
Track view of PCB (mirror imaged)<br>Baxi part #: 230260<br>Baxi Solo 2 PF / 3 PF / 3 PF System
PS.
What a pain in the arse that was to do. For some reason the images uploaded to DIYNot are compressed (?) and as a result degraded. Hence the addition of the PhotoBucket links to better qualitiy images.
