Morning all,
Hope you’re all good.
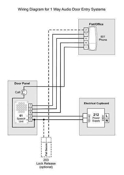
I require some assistance with wiring the bell 801 system. I replaced it like for like, as wanted a fresh phone as redecorating, but the dummy I am, I didn’t take a photo of the previous wiring.
I have managed to get the bell sound working when someone pushes the buzzer downstairs, but cant unlock or hear anything.
I hope someone can assist.
Thanks, Greg
Hope you’re all good.
I require some assistance with wiring the bell 801 system. I replaced it like for like, as wanted a fresh phone as redecorating, but the dummy I am, I didn’t take a photo of the previous wiring.
I have managed to get the bell sound working when someone pushes the buzzer downstairs, but cant unlock or hear anything.
I hope someone can assist.
Thanks, Greg
