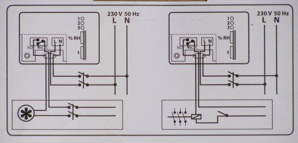
Hi, I want to connect an extractor fan to a controller with humidity sensor and run-on timer.
The connection diagram that came with the unit has me a bit confused. The live and neutral connections are obvious,
but the connector for the fan is marked as NO, NC and C, which I understand to mean Normally Open, Normally Closed and Common.
However, that still leaves me blank on how to connect the two wires from the fan!!
Any help would be great.
The control unit is by S&P, called HYGRO 2. Photos of connections and wiring diagram below.
Thanks
The connection diagram that came with the unit has me a bit confused. The live and neutral connections are obvious,
but the connector for the fan is marked as NO, NC and C, which I understand to mean Normally Open, Normally Closed and Common.
However, that still leaves me blank on how to connect the two wires from the fan!!
Any help would be great.
The control unit is by S&P, called HYGRO 2. Photos of connections and wiring diagram below.
Thanks
