Hi all
I hope you can help me with wiring of this new handset i have bought.
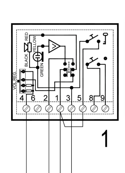
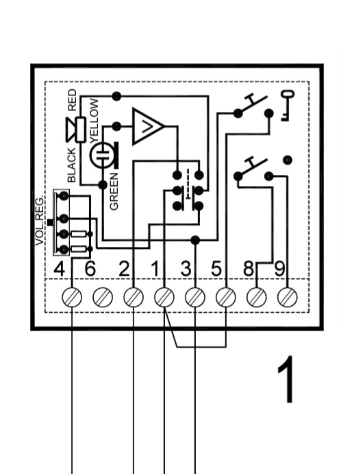
The old handset is a Videx and the terminals are labelled 1-6.
The new unit is a bell 801 handset and the terminals are IROTZ.
Can anyone tell me how to wire the new handset up? What numbers from handset go to what Letter of the new handset.
Pictures below, old and new handsets.
Thanks
I hope you can help me with wiring of this new handset i have bought.
The old handset is a Videx and the terminals are labelled 1-6.
The new unit is a bell 801 handset and the terminals are IROTZ.
Can anyone tell me how to wire the new handset up? What numbers from handset go to what Letter of the new handset.
Pictures below, old and new handsets.
Thanks



