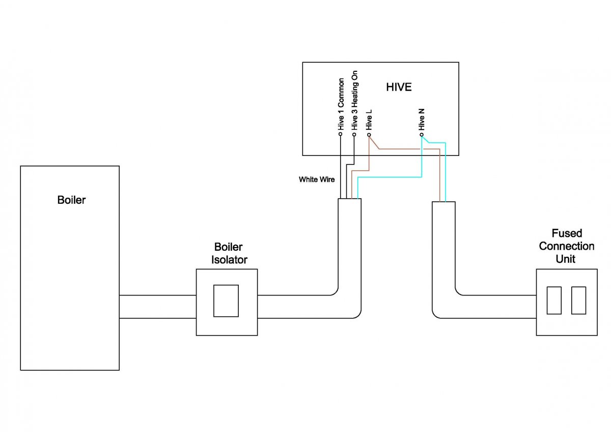
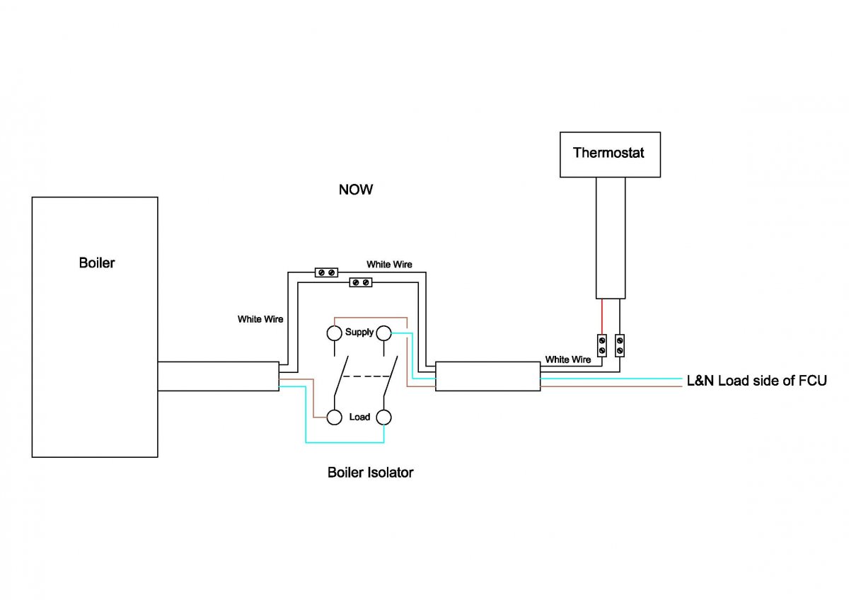
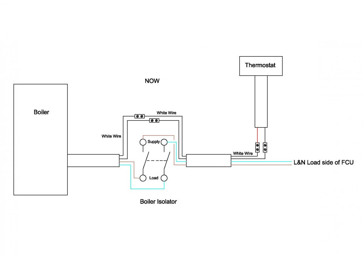
I'm not sure I understand what you mean exactly, but from your first photos, this is what I understand that you have now.

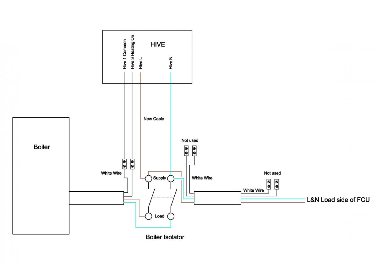
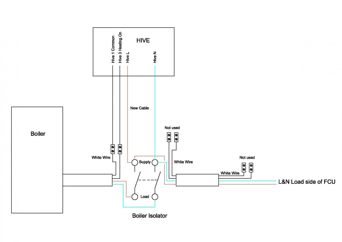
If so, then I would remove the existing thermostat and connect the Hive using either a single 4 core cable (or two 2 core cables) from the boiler isolator as follows:


If so, then I would remove the existing thermostat and connect the Hive using either a single 4 core cable (or two 2 core cables) from the boiler isolator as follows:

The Hive doesn't need an earth, but a terminal is provided to anchor the earth wire and keep it out of the way if required.
Last edited:
