
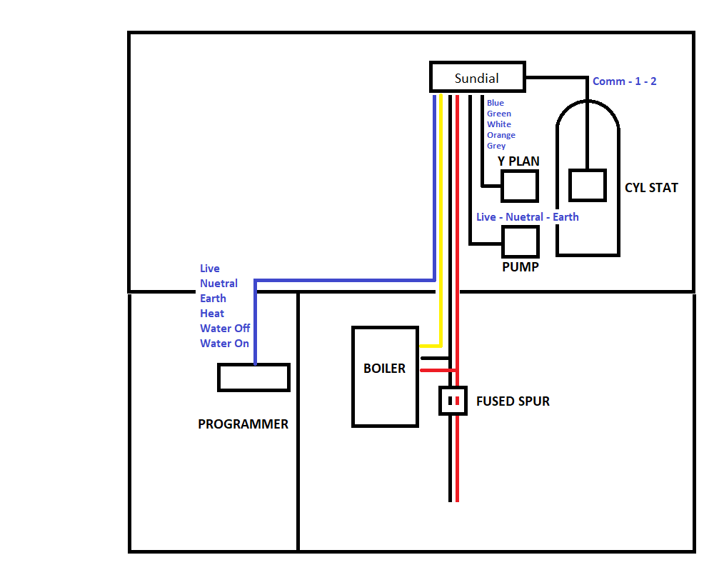
you are getting confused, the live wire from the fused spur is the permanent live, a switched live is a control wire that is switched by a control to signal something to operate.It turned out the boiler is wired direct from the fused spur adjacent to it and the switched live is the only boiler wire coming from the wiring centre.
So I can better position the Heat Link for the Google Nest I need to extend the 5 wires plus earth to the existing programmer by less than a metre.
Use 0.75mm2 5 core central heating cable, available to buy by the metre from many placesThe first single cable I found on the internet is 12v or 24v 7 core intended for caravan or trailer ... is it suitable for a central heating programmer?

If you need to find a tradesperson to get your job done, please try our local search below, or if you are doing it yourself you can find suppliers local to you.
Select the supplier or trade you require, enter your location to begin your search.
Are you a trade or supplier? You can create your listing free at DIYnot Local