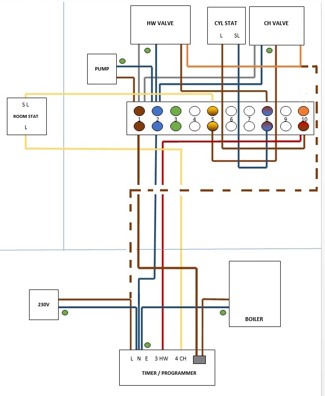
Need help understanding my S-Plan Wiring

If it's any help my CH system was wired like this when we moved in 1994 and remained like it for 15 years or so:

View attachment 156755
Or to make it easier to trace the control paths:
View attachment 156768
The system worked well enough except... when both HW and CH were calling and both valves open, then the room stat opens, the remaining path is marked in pink holding both valves open until the HW stat opens allowing the HW valve to release and break the loop.
In practice it didn't seem to cause any problems other than running the heating for a little longer on rare occasions. The HW was very effective, whereas the CH was a bit inadequate so it was very rare that I knew it had happened.
well it was wired up wrong then
 
The diagrams with the wires transposed were provided by the OP & not me. But actually the drawing is correct because its purpose is to show the installation as it is now.

All I did add was add the permanent live wire to show what was missing and explained that the grey and orange wires were transposed.
 
Because the orange wire is connected to a 'switched live' from the hot water on at the programmer and not a 'permanent live'.
The OP (or any other DIYer) will take the above advise and think it acceptable to use the industry standard orange SWITCHED live and use it as a permanent live with grey being used as a switched live.
I’ve seen the grey terminate with motor brown many times (causing MV motor to latch) but I’ve never come across the grey/orange as you suggested previously (transposed), if I did then I’d be looking to strip the whole lot out and start again as I’d be concerned as to what else had been done.
 
I have seen systems wired with the orange and grey the wrong way round, wrong I know but at the end of the day it is a switch nothing else
 
Except there is a significant flaw with this.....

View attachment 156769

..... with the above arrangement, when both heating and hot water valves have opened and their internal microswitches have operated, they become electrically linked together so that when the room thermostat goes off, the heating valve won't close because its motor will still be receiving power via the microswitch from the hot water valve.

This means that both the hot water and the heating will both have to be satisfied before heating valves closes. That is why both orange wires must be connected to a permanent live, and not a switched live.

EDIT
Sketch below illustrates:

View attachment 156774
I take it you didn't read my post then. Or look at my sketch before you drew over it.
 
Ah yes! Sorry about that. My mistake. I was reading the post on a tablet and I missed the explanation at the bottom :oops: I'm still not very good with a tablet (don't think they will ever catch on :)) when I read "if it's any help" at the top, I thought you were offering it as a fix for the OP.
 
Ah yes! Sorry about that. My mistake. I was reading the post on a tablet and I missed the explanation at the bottom :oops: I'm still not very good with a tablet (don't think they will ever catch on :)) when I read "if it's any help" at the top, I thought you were offering it as a fix for the OP.
I think we've all been there
 

If you need to find a tradesperson to get your job done, please try our local search below, or if you are doing it yourself you can find suppliers local to you.

Select the supplier or trade you require, enter your location to begin your search.


Are you a trade or supplier? You can create your listing free at DIYnot Local

 
Back
Top