Thanks for all the answers.
Apologies if this is tedious.
Remember that all I want is a way to remotely program my heating - I am there at sporadic times so a fixed 24h or weekly timer doesn't work for me. I want to be able to turn it on before I get home, which is random.
Would the following be possible:
Leave my current thermostat wired to the Motorised valve supplying the rads.
Turn my Drayton thermostat up to the Max.
Replace my 24h timer with the Drayton and just turn it on or off remotely from that app, or program it as I want.
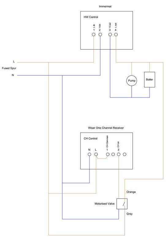
I was happy to go along with the one channel because my current switch only seems to have one output so I figured that's all I need.
Maybe I have misunderstood how the Drayton wiser works.
Apologies if this is tedious.
Remember that all I want is a way to remotely program my heating - I am there at sporadic times so a fixed 24h or weekly timer doesn't work for me. I want to be able to turn it on before I get home, which is random.
Would the following be possible:
Leave my current thermostat wired to the Motorised valve supplying the rads.
Turn my Drayton thermostat up to the Max.
Replace my 24h timer with the Drayton and just turn it on or off remotely from that app, or program it as I want.
I realise that, but I am not looking for anything too fancy apart from some form of remote control. I did check with the shop before I bought the wiser and they recommend this device for me after I explained my setup.You have an antiquated and inefficient system and are trying to fit 'state of the art' controls to a something not designed for it. The Wiser website states that: Wiser is not compatible for systems that lack water cylinder thermostats, and motorised valves.
I was happy to go along with the one channel because my current switch only seems to have one output so I figured that's all I need.
Maybe I have misunderstood how the Drayton wiser works.

