S plan no heating

Joined
14 May 2024
Messages
2
Reaction score
0
Country
United Kingdom
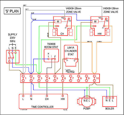
Hi, I have no ch on an s plan system, timer and stat are both calling, I have the following on the 2port valve wiring - 240v on grey, 0v on brown and 0v on connection no 4, what do I need to replace?
 
If the timer & stat are calling then you should have 230V on brown, this then drives the valve motor to open it, a internal switch then connects the permanent live (grey) to the orange to switch the boiler on.
 

Attachments

  • S Plan Wiring.gif
    S Plan Wiring.gif
    20.1 KB · Views: 103
0 volts at brown then Check you have 240 going to roomstat and 240 coming out of it if nothing going to it your programmer is faulty if nothing coming out then room stat faulty
 
0 volts at brown then Check you have 240 going to roomstat and 240 coming out of it if nothing going to it your programmer is faulty if nothing coming out then room stat faulty
Not the first time got called out to no heating. The roomstat is sat at 10 or 12 degrees
 

If you need to find a tradesperson to get your job done, please try our local search below, or if you are doing it yourself you can find suppliers local to you.

Select the supplier or trade you require, enter your location to begin your search.


Are you a trade or supplier? You can create your listing free at DIYnot Local

 
Back
Top