Hello All
My first post here in hope you guys can help.
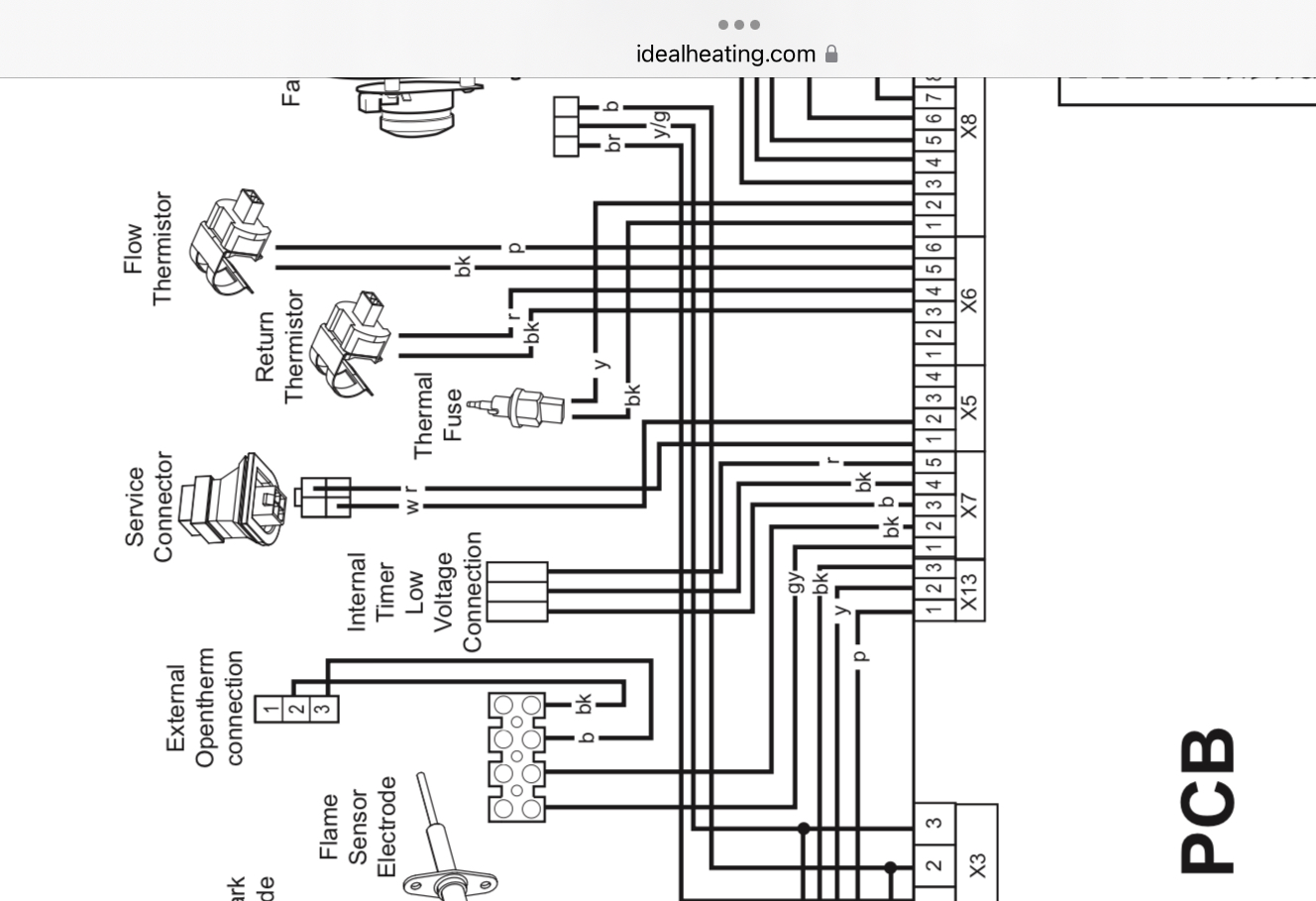
Got my first house and upgraded the boiler to an IDEAL VOGUE MAX S18 - it is a system boiler as I have a water tank in house 16yrs old.
I thought being clever and looked into Opentherm due to effeminacy etc and got myself TADO smart thermostat 3v (EU model as it supports Opentherm whilst the UK one is just On/Off zones for HW/CH).
Thought to myself, no brainer get OT model and easy to save money!! Well little did I know …. or nothing rather.
Now seeing that house is on a S PLAN and you cant get OT installed without rewiring the whole house between controller <> boiler
Really? Is that a case? Has anybody managed to get OT with TADO working on a S PLAN?
If so, how?
What has been done please?
Further more, will also look into PDHW with an normally open valve to have HW priority.
Atm have a boiler installed but no thermostat as the plumber and his electrician had o clue about PDHW and Opentherm installation.
If this has no sucssess then I will have to replace it with the UK model with a simple On/Off zone and stick to the ongoing old fashion setup which seem to be making boiler always run at 75degree at all time whether using HW or CH which seems not very clever and effecient.
Best outcome would be OT/PDHW and Wheathercomp implemented.
My first post here in hope you guys can help.
Got my first house and upgraded the boiler to an IDEAL VOGUE MAX S18 - it is a system boiler as I have a water tank in house 16yrs old.
I thought being clever and looked into Opentherm due to effeminacy etc and got myself TADO smart thermostat 3v (EU model as it supports Opentherm whilst the UK one is just On/Off zones for HW/CH).
Thought to myself, no brainer get OT model and easy to save money!! Well little did I know …. or nothing rather.
Now seeing that house is on a S PLAN and you cant get OT installed without rewiring the whole house between controller <> boiler
Really? Is that a case? Has anybody managed to get OT with TADO working on a S PLAN?
If so, how?
What has been done please?
Further more, will also look into PDHW with an normally open valve to have HW priority.
Atm have a boiler installed but no thermostat as the plumber and his electrician had o clue about PDHW and Opentherm installation.
If this has no sucssess then I will have to replace it with the UK model with a simple On/Off zone and stick to the ongoing old fashion setup which seem to be making boiler always run at 75degree at all time whether using HW or CH which seems not very clever and effecient.
Best outcome would be OT/PDHW and Wheathercomp implemented.
Last edited:
