Hi
I have recently moved into a house, originally built in the 1930's and extended in 1991/92.
Having been under the floor to check on some wiring I am concerned that the subfloor area is damp. The flooring is a mixture of bare earth and in places concrete but is noticeable damp, certainly in comparison to previous houses. The timber floors however appear fine and there is no noticeable signs of mould or damp on them.
Should I be worried?
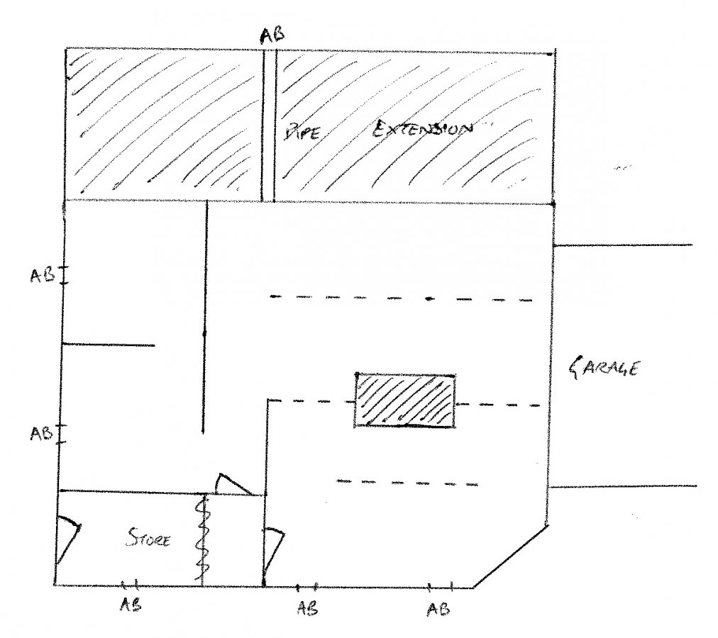
The house is on a slope and the sub floor is stooping height at the front of the property decreasing to maybe 8-10 inches (below joists) at the back of the original house. The extension is the full width of the back of the house and as a result all the original air bricks are blocked, the extension having a solid floor. The only ventilation at the rear is through a single 4 inch pipe running out to an air brick.
There are some air bricks in one side of the house but not the other and these would run contrary to the sleeper walls which are designed to flow front to back.
I hope this all makes sense and if there is cause for concern you might be able to offer some advice.
Thanks Andrew
I have recently moved into a house, originally built in the 1930's and extended in 1991/92.
Having been under the floor to check on some wiring I am concerned that the subfloor area is damp. The flooring is a mixture of bare earth and in places concrete but is noticeable damp, certainly in comparison to previous houses. The timber floors however appear fine and there is no noticeable signs of mould or damp on them.
Should I be worried?
The house is on a slope and the sub floor is stooping height at the front of the property decreasing to maybe 8-10 inches (below joists) at the back of the original house. The extension is the full width of the back of the house and as a result all the original air bricks are blocked, the extension having a solid floor. The only ventilation at the rear is through a single 4 inch pipe running out to an air brick.
There are some air bricks in one side of the house but not the other and these would run contrary to the sleeper walls which are designed to flow front to back.
I hope this all makes sense and if there is cause for concern you might be able to offer some advice.
Thanks Andrew
