Hello
Jumping in.
I have been getting very large over winter EDF bills and only notice after I checked my bank account 5 months too late, 100 Euros a week, it would seem that the plumbing/heating company (French) that supplied and fitting my duel fuel central heating system has fitted no zoning valves, wired up another pump to run permanently 24/7 causing the immersion tank to boil and supply the rads 24/7.
without the other pump running the down stairs rads stay cold BTW.
Well not being a plumber I think that is what the main problem is.
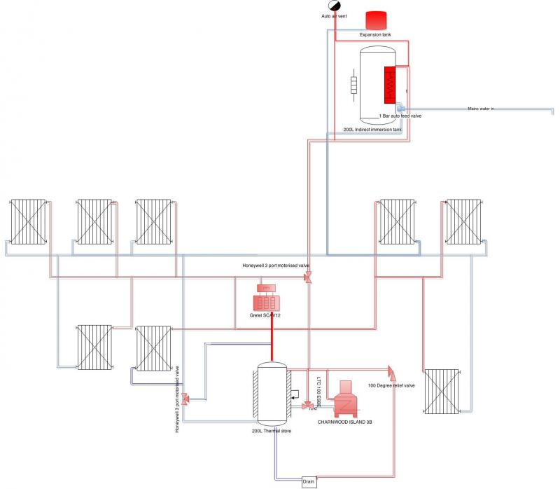
Could someone please identify what is needed and where to put it to make it all work, I notice also that the thermal tank that is fitted may have been plumbed wrong too.
I have asked this company to work with me in identifying what is causing these massive EDF bills but finally got and answer from them only after I had to ask my local Mayor for help, the plumbing company just said it was normal over winter EDF bills for everyone, full stop.
I have only put a picture of the system, there is an overheat release valve not shown.
There is a LTC 100 ESBE next to the stove and a York 1" DN 25 on the line going up from the stove, apart from these there are no other restrictions and the system is all joined up like i have shown.
Tony
Jumping in.
I have been getting very large over winter EDF bills and only notice after I checked my bank account 5 months too late, 100 Euros a week, it would seem that the plumbing/heating company (French) that supplied and fitting my duel fuel central heating system has fitted no zoning valves, wired up another pump to run permanently 24/7 causing the immersion tank to boil and supply the rads 24/7.
without the other pump running the down stairs rads stay cold BTW.
Well not being a plumber I think that is what the main problem is.
Could someone please identify what is needed and where to put it to make it all work, I notice also that the thermal tank that is fitted may have been plumbed wrong too.
I have asked this company to work with me in identifying what is causing these massive EDF bills but finally got and answer from them only after I had to ask my local Mayor for help, the plumbing company just said it was normal over winter EDF bills for everyone, full stop.
I have only put a picture of the system, there is an overheat release valve not shown.
There is a LTC 100 ESBE next to the stove and a York 1" DN 25 on the line going up from the stove, apart from these there are no other restrictions and the system is all joined up like i have shown.
Tony
