- Joined
- 18 Mar 2005
- Messages
- 35
- Reaction score
- 0
- Country

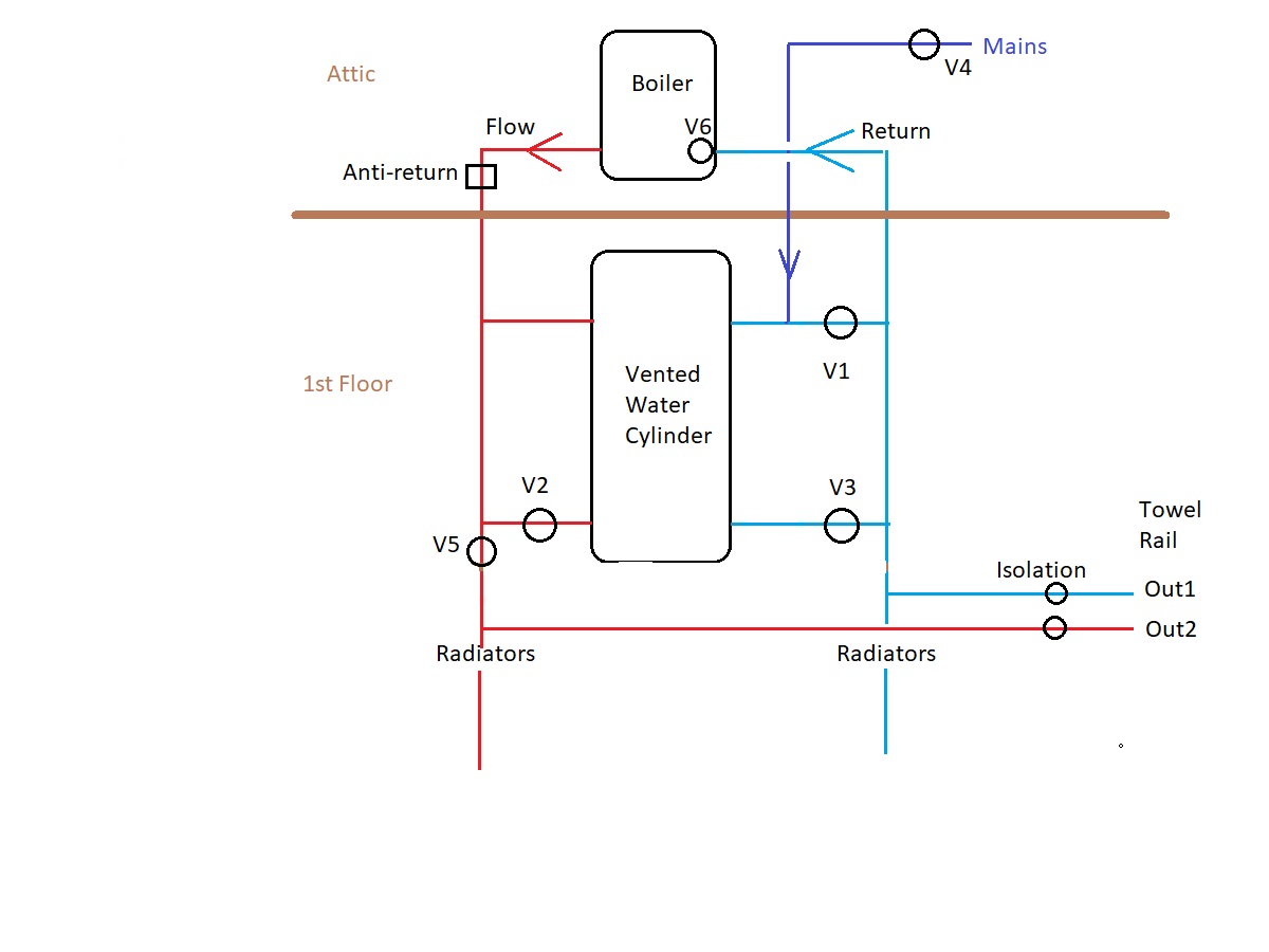
The problem is that it takes a long time for radiators for heat up, and some stay almost cold.
The return pipes of all the rads are cold, flows are hot/warm.
I checked for blockage on all the rads, and could not find any.
Boiler is a Veissmann Vitodens 100. No fault displayed.
The hot water cylinder is fitted with 2 coils.
The bottom one is normally used for solar, but in my installation, plumber connected it
to the boiler flow/return with 2 valves. These 2 valves (V2 and V3) have always been closed since system was installed 3 years ago.
V4 is used to pressurize the system from water mains.
I simplified the system to its simplest form while still being able to reproduce the issue.
I closed all the radiators valves.
Here is 2 simple tests that demonstrate the issue.
Test 1:
-------
Close V2, V3 and V5.
Open V1 in full
Turn on boiler.
Within minutes, flow pipe is hot as well as return pipe in the attic near the boiler.
Turn boiler off
Test 2:
-------
Close V1 and V5
Open V2 and V3
Turn on boiler.
Flow pipe is hot, return pipe is cold.
WHY? this could be the answer to the overall problem.
I checked each individual radiators for blockage and could not find any!
I removed a towel rail which is just above a bath, as well as the 2 chrome valves.
So i am left with 2 copper pipes out of the wall and over a bath. Quite handy.
These flow/return copper pipes are fitted with isolation valves, so good spot for testing water flow.
V6 is an isolation valve in the boiler on the return.
V4 is left fully open to provide water flow.
Test Blockage 1:
----------------
Close all valves (V1, V2, V3, V5, V6) except V4 (Mains supply)
In turns, i open towel rail isolation valves, and nothing came out of Out1/Out2
Result as expected,
Test Blockage 2:
----------------
Open V1
In turns, i open towel rail isolation valves.
Water flows out of Out1 as expected
So the path from V1 to Out1 is clear. Result as expected,
Close V1
Test Blockage 3:
----------------
Close V1
Open V2 and V3.
In turns, i open towel rail isolation valves.
Water flows out of Out1 as expected
So the path from V2 to Out1 is clear. Result as expected,
Test Blockage 4:
----------------
Close V1, V2 and V3
Open V5
Water flows out of Out2 as expected
Question:
Why is the return pipe cold when the bottom coil is used, while it is hot when the top cold is used while there is no blockage?
The return pipes of all the rads are cold, flows are hot/warm.
I checked for blockage on all the rads, and could not find any.
Boiler is a Veissmann Vitodens 100. No fault displayed.
The hot water cylinder is fitted with 2 coils.
The bottom one is normally used for solar, but in my installation, plumber connected it
to the boiler flow/return with 2 valves. These 2 valves (V2 and V3) have always been closed since system was installed 3 years ago.
V4 is used to pressurize the system from water mains.
I simplified the system to its simplest form while still being able to reproduce the issue.
I closed all the radiators valves.
Here is 2 simple tests that demonstrate the issue.
Test 1:
-------
Close V2, V3 and V5.
Open V1 in full
Turn on boiler.
Within minutes, flow pipe is hot as well as return pipe in the attic near the boiler.
Turn boiler off
Test 2:
-------
Close V1 and V5
Open V2 and V3
Turn on boiler.
Flow pipe is hot, return pipe is cold.
WHY? this could be the answer to the overall problem.
I checked each individual radiators for blockage and could not find any!
I removed a towel rail which is just above a bath, as well as the 2 chrome valves.
So i am left with 2 copper pipes out of the wall and over a bath. Quite handy.
These flow/return copper pipes are fitted with isolation valves, so good spot for testing water flow.
V6 is an isolation valve in the boiler on the return.
V4 is left fully open to provide water flow.
Test Blockage 1:
----------------
Close all valves (V1, V2, V3, V5, V6) except V4 (Mains supply)
In turns, i open towel rail isolation valves, and nothing came out of Out1/Out2
Result as expected,
Test Blockage 2:
----------------
Open V1
In turns, i open towel rail isolation valves.
Water flows out of Out1 as expected
So the path from V1 to Out1 is clear. Result as expected,
Close V1
Test Blockage 3:
----------------
Close V1
Open V2 and V3.
In turns, i open towel rail isolation valves.
Water flows out of Out1 as expected
So the path from V2 to Out1 is clear. Result as expected,
Test Blockage 4:
----------------
Close V1, V2 and V3
Open V5
Water flows out of Out2 as expected
Question:
Why is the return pipe cold when the bottom coil is used, while it is hot when the top cold is used while there is no blockage?