Wiring Hiv to Vokera Unica 28e

Joined
18 Jan 2022
Messages
4
Reaction score
0
Country
United Kingdom
Hi everyone,

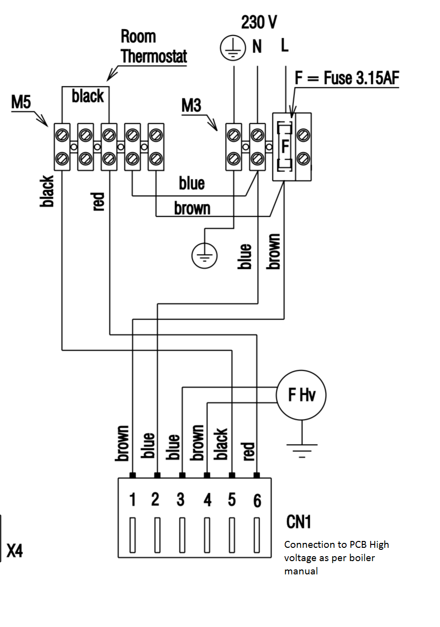
I want to wire Hiv to a Vokera Unica 28e, the wiring on the boiler seems straight forward as far as L&N & Earth are concerned but I'm wondering which ones from Hiv goes into which on the thermostat side.

Basically out of Hiv goes L & N + "Common" and "Heating on" as per the manual, so L to L and N to N but which one goes to the black wire on the boiler and which to the red, hope that makes sense, pictures below.

Many thanks
Untitled.png
Untitled2.png

Screenshot_20191022_190900.jpg
1C8D34B8-88B1-434B-8504-AF8BB304D318.jpeg
 
QUOTE="Moataz Farrag, post: 5147111, member: 295526"]but which one goes to the black wire on the boiler and which to the red[/QUOTE]

doesnt matter it is simply a switch will work either way round, the hive doesnt need an earth
 

If you need to find a tradesperson to get your job done, please try our local search below, or if you are doing it yourself you can find suppliers local to you.

Select the supplier or trade you require, enter your location to begin your search.


Are you a trade or supplier? You can create your listing free at DIYnot Local

 
Back
Top