Well - after the junction box.Could I not connect the lights together (daisy chain) before the the junction box?
Yes, of course it is but that's not what you asked.
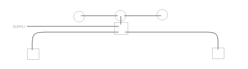
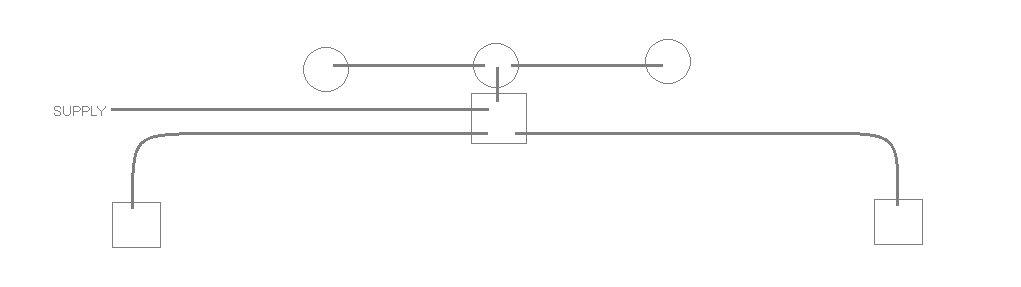
Ok.I have a 6 metre conduit 1 light at each end with 1 in the middle.
We're on the 18th now. Any junction box with cable restraints will do.The supply and 1 switch enters from the right and the other switch enters from the left currently meeting at a 4 way conduit box. Its evident I will have to introduce a 17th edition box or similar?
I am not sure what you are asking if it's all there already.
