- Joined
- 27 Jan 2008
- Messages
- 28,366
- Reaction score
- 3,451
- Location
- Llanfair Caereinion, Nr Welshpool
- Country

Just watch John Ward video
this is unusual, must be the first one where I don't agree with what he says.
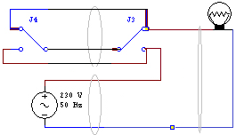
This is how I would show shared lines, very dangerous as although it will work without having a RCD, the left hand light has two major faults, so shown light is off, switch the left hand switch and all is OK, however if instead right hand switch for left hand light is used then left hand light fed from right hand lamps fuse, and if both switched then lights remain off but the two circuits are connected together.
If a pair of RCD's are added then clearly it will trip them. I wonder if a video can be re-done? He seems to be using what I call a school boy two way switching,
although it will work, it would likely cause interference as it is a large loop, and not easy to in practice wire.
If a pair of RCD's are added then clearly it will trip them. I wonder if a video can be re-done? He seems to be using what I call a school boy two way switching,