- Joined
- 27 Jan 2008
- Messages
- 28,437
- Reaction score
- 3,456
- Location
- Llanfair Caereinion, Nr Welshpool
- Country

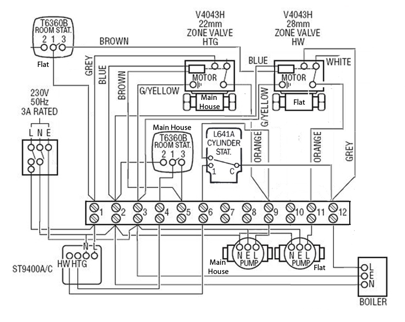
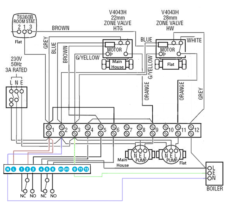
I have worked out the above for my central heating, pump and valve for main house plus pump and valve for flat, and the domestic hot water is thermo-syphon.
Idea is domestic hot water will run boiler but not any pumps, and once the cistern is satisfied then the boiler will turn off, unless there is also a demand from main house thermostat, in which case boiler and pump will run, domestic hot water will clearly still be heated, but this is not a problem.
The flat heating will only work if the boiler is already running, however since the flat is smaller than main house and more sheltered it is unlikely the flat will need heat when the house does not, so that should not be a problem.
The original system had no valves and not any thermostat for main house, the plumber is fitting valves, after doing tests which showed central heating was thermo-syphoning and or having water forced around it in reverse direction, so it needs valves so I can heat water without heating house. I don't want a pump running if the valve is closed, so micro switch in valve works pump.
I think it's OK as shown, but I am not perfect so can anyone see any errors?