Hello Everyone,
I am a newbie to the forum and I have reviewed several posts on the forum about central heating pumps running continuously. My problem is slightly different as my central heating circulation pump run intermittently for hours.
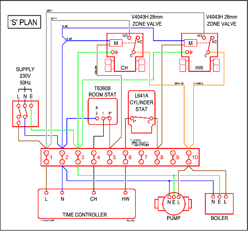
The system configuration is as follows:
Vaillant EcoTec Plus 435 condensing boiler (the DHW is set to off on the boiler)
Vaillant VR66 Control Centre (with E-Bus)
Vaillant V-Smart wireless room thermostat
S type system configuration for DHW and central heating.
Hot water cylinder with immersion heater connected to a 230V wall switch and a Honeywell L641A1005 cylinder thermostat.
Honeywell V4043H1106 zone valves (x2) (One for DHW and one for central heating)
Boiler pump over run is set to 20 minutes.
During the day when the central heating is running the DHW zone valve remains off and only the central heating zone valve opens when the room thermostat calls for heat. However, at night when the room thermostat is set to 10 degrees Celsius (typical night time setting for my home), the DHW zone valve energises (at some point during the evening) and the circulation pump runs constantly (even though the DHW is set to off on the boiler). I believe Vaillant boilers have default DHW priority heating but if the DHW is set to off on the boiler, I do not understand why the DHW zone valve is energised and the circulation pump runs constantly. The pump over run is set to 20 minutes but the circulation pump runs for hours.
The same problem occurred with the previous Baxi condensing boiler system. Therefore, I believe one of the other components in the in the central heating or DHW system is causing the problem. I noticed in VR66 Control Centre manual advises the DHW cylinder thermostat should be normally open. I inspected the configurate of the Honeywell cylinder thermostat and is currently configured in the normally closed position. However, I have tried disconnecting the cylinder thermostat from the VR66 control centre but the DHW zone valve still opens intermittently at night and the circulation pump runs for hours.
I would appreciate any guidance on what could be the cause of this fault.
I am a newbie to the forum and I have reviewed several posts on the forum about central heating pumps running continuously. My problem is slightly different as my central heating circulation pump run intermittently for hours.
The system configuration is as follows:
Vaillant EcoTec Plus 435 condensing boiler (the DHW is set to off on the boiler)
Vaillant VR66 Control Centre (with E-Bus)
Vaillant V-Smart wireless room thermostat
S type system configuration for DHW and central heating.
Hot water cylinder with immersion heater connected to a 230V wall switch and a Honeywell L641A1005 cylinder thermostat.
Honeywell V4043H1106 zone valves (x2) (One for DHW and one for central heating)
Boiler pump over run is set to 20 minutes.
During the day when the central heating is running the DHW zone valve remains off and only the central heating zone valve opens when the room thermostat calls for heat. However, at night when the room thermostat is set to 10 degrees Celsius (typical night time setting for my home), the DHW zone valve energises (at some point during the evening) and the circulation pump runs constantly (even though the DHW is set to off on the boiler). I believe Vaillant boilers have default DHW priority heating but if the DHW is set to off on the boiler, I do not understand why the DHW zone valve is energised and the circulation pump runs constantly. The pump over run is set to 20 minutes but the circulation pump runs for hours.
The same problem occurred with the previous Baxi condensing boiler system. Therefore, I believe one of the other components in the in the central heating or DHW system is causing the problem. I noticed in VR66 Control Centre manual advises the DHW cylinder thermostat should be normally open. I inspected the configurate of the Honeywell cylinder thermostat and is currently configured in the normally closed position. However, I have tried disconnecting the cylinder thermostat from the VR66 control centre but the DHW zone valve still opens intermittently at night and the circulation pump runs for hours.
I would appreciate any guidance on what could be the cause of this fault.
