central heating "Y"

Joined
23 Aug 2008
Messages
276
Reaction score
8
Location
Essex
Country
United Kingdom
Hi can anyone tell me PLEASE which wires go together in the junction box, not the colours but where to where, or what to what. THANK YOU
 
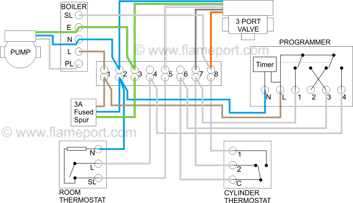
Not really sure what you're asking for, but hopefully this is what you're after

y_plan_wiring_diagram_ALLOFF (1).gif
 
Cheers Andrew that looks a great y plan best I've seen, not sure about the SL & PL on the boiler, but thank you.
 
Cheers Andrew that looks a great y plan best I've seen, not sure about the SL & PL on the boiler, but thank you.

What do you mean, not sure what they are? Switched live and pump live.
 
Hi, thanks for the link. My problem is when I first fitted the central heating I did it by a drawn plan from a friend, plus some info by phone to a few pluming company's, no talk then about C Y W or any other plans, and it worked straight away for years. So I have no idea what plan it is I just know it WORKED until things had to be replaced, and it's driven me mad ever since. I'm only a DIYer but I enjoy to beat the problems, any idiot can call in the experts.
 
Depends on the setup. S plan has 'Separate' valves, one on cylinder flow, other on heating flow. Y plan (should really be T plan), uses one valve with an inlet and outlets to HW and CH. Both S and Y plans are fully pumped. Look at these simply as a series of switches. Timeclock first, when it is selected as 'On', power is supplied to the relevant stat. If stat is calling for heat, power is then put through to the valve. Valve motors open, activating a microswitch which then puts 240V through to the boiler and pump. System fires up, heated water is sent where needed.

C plan uses a Valve on the Cylinder return to close off the gravity circulation when cylinder temp is reached. (CH uses the pump controlled from the room stat.) Pump Plan used 2 pumps, one for each circuit. There are others but these are the main ones you usually find.
 
Hi, thanks for that, seems like mine is Y it has a 3 port valve not 2 2ports, I have been working on those lines, just think I have a wire or 2 in the place. I will try again. Fingers crossed.
 

If you need to find a tradesperson to get your job done, please try our local search below, or if you are doing it yourself you can find suppliers local to you.

Select the supplier or trade you require, enter your location to begin your search.


Are you a trade or supplier? You can create your listing free at DIYnot Local

 
Back
Top