Hi,
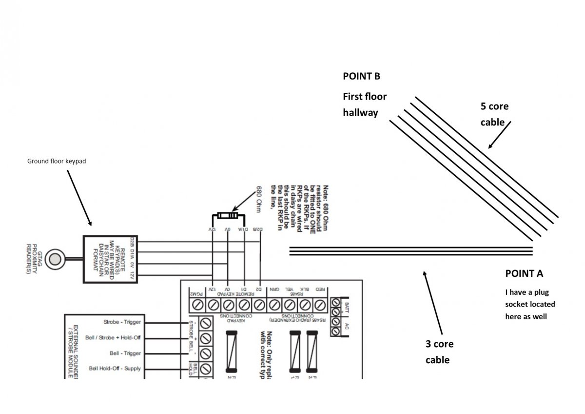
I currently have a cpx gardtec alarm which works perfectly. The only thing is that my keypad is downstairs and I would like another upstairs. I have a cable from the alarm pcb to the upstairs hallway but is only has 3 cores, I know I need 4. Is there a way to get the this working. Even if I have a local plug upstairs which gives 12 volts that will be fine however how do I wire l this up? I believe I have a cpx control panel. Many thanks.
I currently have a cpx gardtec alarm which works perfectly. The only thing is that my keypad is downstairs and I would like another upstairs. I have a cable from the alarm pcb to the upstairs hallway but is only has 3 cores, I know I need 4. Is there a way to get the this working. Even if I have a local plug upstairs which gives 12 volts that will be fine however how do I wire l this up? I believe I have a cpx control panel. Many thanks.
